您好,欢迎进入格鲁夫机械设备制造有限公司官网!
减速机|丝杆升降机|减速电机|行业专用减速机|减速机配件|减速机厂|丝杆升降机厂|转向器厂

联系我们

邮箱:china@gelufu.com
电话:0312-6784766
在线咨询

Y2系列三相异步电动机产品特点及结构简介(H63~355mm)

发布日期:2023-12-28 21:06 浏览次数:

Y2系列三相异步电动机产品特点及结构简介(H63~355mm)(图1)

Mobile:13331225020

Y2系列三相异步电动机是在Y系列电动机基础上更新设计的一般用途的低压三相笼型异步电动机基本系列。新的基本系列分两种设计(分为两个独立的部分)。
种设计,即Y2系列(IP54)三相异步电动机,是是最为完整的低压笼型三相异步电动机系列。该系列可以满足外一般用途的需要,机座范围为63~355mm,功率范围为0.12~315kW。
第二种设计,即Y2-E系列(IP54)三相异步电动机,是为适用于长期连续运行,负载率较高的使用场合,如风机、水泵类的配套需要,电动机具有较高效率和节能效果,机座范围为80~280mm,功率范围为0.55~90kW。
Y2系列(IP54)、Y2-E系列(IP54)以下统称“Y2系列”三相异步电动机。该Y2系列异步电动机具有效率高、起动转矩大等特点。电动机比Y系列提高了外壳防护等级为IP54;提高了绝缘等级为F级绝缘,温升作B级考核,降低了电动机的噪声,用负载噪声考核(原Y系列(IP44)电动机用空载噪声考核)。电动机的结构设计合理,外形美观。
Y2系列三相异步电动机的冷却方式为IC411,安装尺寸及功率等级符合IEC标准和德国的DIN42673标准,与Y系列(IP44)电动机相同。
使用条件 环境空气温度不超过40℃;海拔不超过1000m;工作方式为连续运行A1工作制;额定电压为380V;额定频率为50Hz;3kW以下为Υ联结,4kW及以上为△联结。
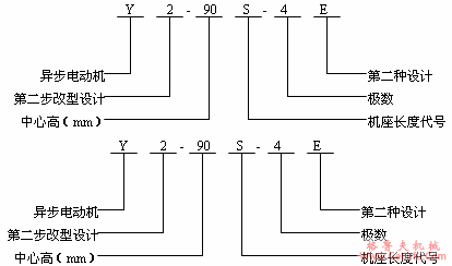
型号含义

Y2系列三相异步电动机产品特点及结构简介(H63~355mm)(图2) QQ:20275456

Y2系列三相异步电动机的机座号、功率及转速对应关系
机 座 号
同步转速/(r/min)
3000
1500
1000
750
600
额定功率/kW
1
63
2
0.18
0.12
0.25
0.18
1
71
2
0.37
0.25
0.18
0.55
0.37
0.25
1
80
2
0.75
0.55
0.37
0.18
1.1
0.75
0.55
0.25
90S
1.5
1.1
0.75
0.37
90L
2.2
1.5
1.1
0.55
1
100L
2
3.0
2.2
1.5
0.75
3.0
1.1
112M
4.0
4.0
2.2
1.5
1
132S
2
5.5
5.5
3.0
2.2
7.5
1
132M
2
7.5
4.0
3.0
5.5
1
160M
2
11
11
7.5
4.0
15
5.5
160L
18.5
15
11
7.5
180M
22
18.5
180L
22
15
11
1
200L
2
30
30
18.5
15
37
22
225S
37
18.5
225M
45
45
30
22
250M
55
55
37
30
280S
75
75
45
37
280M
90
90
55
45
315S
110
110
75
55
45
315M
132
132
90
75
55
1
315L
2
160
160
110
90
75
200
200
132
110
90
1
355M
2
250
250
160
132
110
200
160
132
355L
315
315
250
200
160
注:1.表中机座号一栏的要S.M.L后面的数字1、2分别代表同一机座号和转速下不同的功率。
2.表中粗线框内为Y2-E系列电动机的制造范围,不另列表格。
安装型式:Y2系列异步电动机常用的安装结构型式以及适用范围

Y2系列三相异步电动机产品特点及结构简介(H63~355mm)(图3) 格鲁夫机械

注:表中“√”者为适用范用。
接线盒尺寸见下表
中心高范围
管螺纹直径
出线孔直径
H63~71
M24×1.5
H80
M24×1.5
11
H90~100
M24×1.5
11
H112~132
M30×2
15
H160~180
M36×2
18
H200~225
M48×2
36
H250~280
M64×2
51
H315
M64×2
51
H355
M72×2
52
轴承规格见表
中心高/mm
极数
轴伸端
非轴伸端
H63
2~8
180201K-Z2
180201K-Z2
H71
2~8
180202K-Z2
180202K-Z2
H80
2~8
180204K-Z2
180204K-Z2
H90
2~8
180205K-Z2
180205K-Z2
H100
2~8
180206K-Z2
180206K-Z2
H112
2~8
180206K-Z2
180206K-Z2
H132
2~8
180208K-Z2
180208K-Z2
H160
2
180209K-Z2
180209K-Z2
4~8
180309K-Z2
180309K-Z2
H180
2
211-ZV2
211-ZV2
4~8
311-ZV2
211-ZV2
H200
2
212-ZV2
212-ZV2
4~8
312-ZV2
212-ZV2
H225
2
312-ZV2
312-ZV2
4~8
313-ZV2
312-ZV2
H250
2
313-ZV2
313-ZV2
4~8
314-ZV2
313-ZV2
H280
2
314-ZV2
314-ZV2
4~8
317-ZV2
314-ZV2
H315
2
316-ZV2
316-ZV2
4~10
2319-ZV2
319-ZV2
H355
2
319-ZV2
319-ZV2
4~10
2322-ZV2
322-ZV2
二、结构型式
Y2系列异步电动机系全封闭外扇冷式笼型结构。按惯例的绝缘结构评定方法进行设计,大大提高了电动机的安全可靠性。
Y2系列电动机的防护等级为IP54,其中接线盒部分为IP55。
该Y2系列电动机共有15个机座号(中心高H63~355mm),其中H63~112mm,6个机座号(中心高)的机座和端盖结构材料采用铸铁或铝合金制成。H132mm及以上中心高采用高强度铸铁制成。Y2系列电动机外壳有散热片,呈垂直及水平分布,外形美观。
Y2系列电动机的接线盒位置有两种:机座侧面或顶部,其中H63~280mm接线盒采用铝合金压铸件,H315~355mm接线盒采用高强度铸铁件。
Y2系列电动机的风扇,除H325~355mm采用铝合金件或钢板冲制外,其余机座号(中心高)均采用增细塑料制成,Y2系列的电动机风罩采用冷轧钢板拉伸成型,机械强度高。

Copyright © 2023-2025 格鲁夫 版权所有 备案号:冀ICP备19023093号-2

电子营业执照图标 电子营业执照
选择语言
Hello,欢迎来咨询~