格鲁夫配件
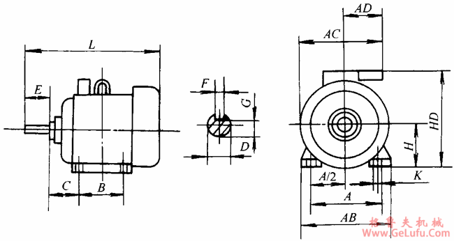
YB系列外形尺寸图(B3)
格鲁夫减速机
格鲁夫齿轮箱
机座带底脚,端盖无凸缘的电动机 (单位:mm) 微信:grove_company
|
型 号 |
A |
A/2 |
B |
C |
D |
E |
F |
G |
H |
K |
AB |
AC |
AD |
HD |
L |
|
YB315S |
508 |
254 |
406 |
216 |
80 |
170 |
22 |
71 |
315 |
ф28 |
630 |
625 |
480 |
1020 |
1270 |
|
YB315M |
508 |
254 |
457 |
216 |
80 |
170 |
22 |
71 |
315 |
ф28 |
630 |
625 |
480 |
102 |
1350 |
|
YB315L |
508 |
254 |
508 |
216 |
80 |
170 |
22 |
71 |
315 |
ф28 |
630 |
625 |
480 |
1020 |
1440 |
|
YB355S |
610 |
305 |
500 |
254 |
90 |
170 |
25 |
81 |
355 |
ф28 |
760 |
790 |
600 |
1100 |
1540 |
|
YB355M |
610 |
305 |
560 |
254 |
90 |
170 |
25 |
81 |
355 |
ф28 |
760 |
790 |
600 |
1100 |
1670 |
|
YB355L |
610 |
305 |
630 |
254 |
90 |
170 |
25 |
81 |
355 |
ф28 |
760 |
790 |
600 |
1100 |
1670 |
|
YB400S |
686 |
343 |
560 |
280 |
100 |
210 |
28 |
90 |
400 |
ф35 |
800 |
820 |
600 |
1150 |
1560 |
|
YB400M |
686 |
343 |
630 |
280 |
100 |
210 |
28 |
90 |
400 |
ф35 |
800 |
820 |
600 |
1150 |
1600 |
|
YB450S |
800 |
400 |
630 |
315 |
110 |
210 |
28 |
100 |
450 |
ф35 |
960 |
960 |
600 |
1200 |
1680 |
|
YB450M |
800 |
400 |
710 |
315 |
110 |
210 |
28 |
100 |
450 |
ф35 |
960 |
960 |
600 |
1200 |
1780 |

|
型 号 |
D |
E |
F |
G |
M |
N |
P |
S |
AD |
a |
AC |
HE |
L |
|
YB315S |
80 |
170 |
22 |
71 |
600 |
550 |
660 |
ф24 |
500 |
22.5° |
630 |
900 |
1370 |
|
YB315M |
80 |
170 |
22 |
71 |
600 |
550 |
660 |
ф24 |
500 |
22.5° |
630 |
900 |
1370 |
|
YB315L |
80 |
170 |
22 |
71 |
600 |
550 |
660 |
ф24 |
500 |
22.5° |
630 |
900 |
1450 |
|
YB355S |
90 |
170 |
25 |
81 |
740 |
680 |
800 |
ф24 |
600 |
22.5° |
735 |
1000 |
1560 |
|
YB355M |
90 |
170 |
25 |
81 |
740 |
680 |
800 |
ф24 |
600 |
22.5° |
735 |
1000 |
1820 |
|
YB355L |
90 |
170 |
25 |
81 |
740 |
680 |
800 |
ф24 |
600 |
22.5° |
735 |
1000 |
1820 |