格鲁夫配件
www.gelufu.com

|
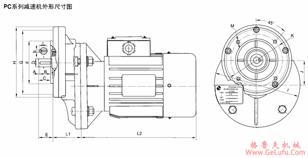
型号 |
A |
B |
C |
D(js6) |
b |
t |
E |
F(H8) |
G |
H |
I |
J |
K |
M |
L1 |
L2(电机型号) |
|
PC063 |
1.5 |
18 |
21 |
11 |
4 |
12.5 |
23 |
70 |
105 |
114 |
14 |
40 |
85 |
4-M6×10 |
45 |
202(63B5型) |
|
2 |
20 |
28 |
*14 |
5 |
16 |
30 | ||||||||||
|
PC071 |
3 |
20 |
27 |
14 |
5 |
16 |
30 |
80 |
120 |
135 |
160 |
50 |
100 |
4-M6×11 |
83 |
220(71B5型) |
|
3 |
32 |
37 |
*19 |
6 |
21.5 |
40 | ||||||||||
|
PC080 |
3 |
32 |
40 |
19 |
6 |
21.5 |
40 |
110 |
160 |
200 |
63 |
130 |
4-M8×11 |
72.5 |
255(80B5型) | |
|
4 |
40 |
50 |
*24 |
8 |
27 |
50 | ||||||||||
|
4 |
50 |
60 |
*28 |
8 |
31 |
60 | ||||||||||
|
PC090 |
3 |
32 |
40 |
*19 |
6 |
21.5 |
40 |
110 |
160 |
200 |
63 |
130 |
4-M4×11 |
72.5 |
265(90B5型)
290(90LB5型) | |
|
3 |
40 |
50 |
24 |
8 |
27 |
50 | ||||||||||
|
3 |
50 |
60 |
*28 |
8 |
31 |
60 | ||||||||||