gelufu.com.cn

|
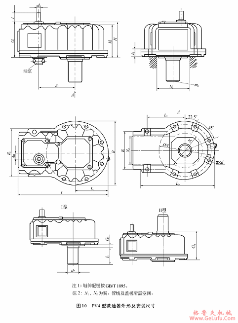
规格 |
L |
B |
H |
H1 |
AL |
AB |
L1 |
输入轴 |
输出轴 | |||||||||||||||
|
d1 |
l1 |
G1 |
d2 |
l2 |
G2 |
G3 |
m2 | |||||||||||||||||
|
06 |
945 |
670 |
≈500 |
435 |
397 |
115 |
335 |
40m6 |
110 |
475 |
140n6 |
250 |
35 |
515 |
M30 | |||||||||
|
07 |
1035 |
750 |
≈600 |
435 |
447 |
115 |
375 |
40m6 |
110 |
475 |
160n6 |
300 |
35 |
600 |
M30 | |||||||||
|
07a |
1109 |
810 |
≈600 |
450 |
470 |
153 |
405 |
50m6 |
110 |
488 |
160n6 |
300 |
40 |
600 |
M30 | |||||||||
|
08 |
1214 |
840 |
≈600 |
450 |
520 |
153 |
420 |
50m6 |
110 |
488 |
180n6 |
300 |
40 |
600 |
M30 | |||||||||
|
09 |
1305 |
900 |
≈650 |
580 |
562 |
173 |
450 |
55m6 |
110 |
630 |
200n6 |
350 |
40 |
670 |
2M24 | |||||||||
|
10 |
1500 |
1000 |
≈700 |
635 |
645 |
219 |
500 |
65m6 |
140 |
685 |
220n6 |
350 |
40 |
740 |
2M24 | |||||||||
|
11 |
1700 |
1200 |
≈700 |
635 |
745 |
219 |
600 |
65m6 |
140 |
685 |
240n6 |
350 |
40 |
740 |
2M30 | |||||||||
|
规格 |
底座和地脚螺栓 |
质量
kg | ||||||||||||||||||||||
|
L0 |
B2 |
d |
DN |
B1 |
LS |
h1 |
N1 |
N2 | ||||||||||||||||
|
06 |
890 |
540 |
M30 |
590 |
460 |
500 |
85 |
400 |
320 |
790 | ||||||||||||||
|
07 |
980 |
630 |
M30 |
670 |
540 |
550 |
85 |
480 |
320 |
910 | ||||||||||||||
|
07a |
980 |
630 |
M30 |
730 |
540 |
550 |
85 |
560 |
380 |
1030 | ||||||||||||||
|
08 |
1040 |
650 |
M36 |
740 |
560 |
610 |
100 |
560 |
380 |
1415 | ||||||||||||||
|
09 |
1170 |
730 |
M36 |
800 |
630 |
660 |
100 |
600 |
460 |
1870 | ||||||||||||||
|
10 |
1360 |
860 |
M42 |
900 |
760 |
800 |
120 |
700 |
580 |
2890 | ||||||||||||||
|
11 |
1560 |
860 |
M42 |
1100 |
760 |
900 |
120 |
840 |
580 |
3550 | ||||||||||||||