电话:0312-6784766

|
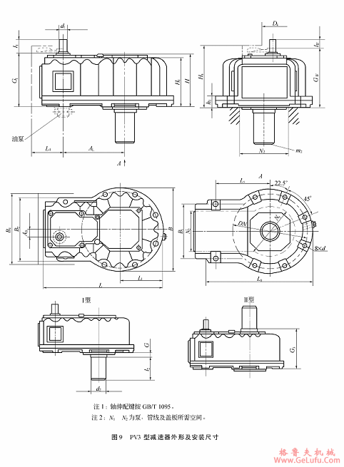
规格 |
L |
B |
H |
H1 |
AL |
AB |
L1 |
输入轴 |
输出轴 | |||||||||||||||||||||
|
d1 |
l1 |
G1 |
l1F |
G1F |
d2 |
l2 |
G2 |
G3 |
m2 | |||||||||||||||||||||
|
03 |
672 |
470 |
≈360 |
306 |
348 |
67 |
235 |
40m6 |
110 |
359 |
82 |
387 |
100m6 |
210 |
35 |
384 |
M20 | |||||||||||||
|
04 |
816 |
560 |
≈400 |
338 |
411 |
78 |
280 |
50m6 |
110 |
383 |
82 |
411 |
110n6 |
210 |
35 |
420 |
M24 | |||||||||||||
|
05 |
886 |
620 |
≈400 |
338 |
451 |
78 |
310 |
50m6 |
110 |
383 |
82 |
411 |
130n6 |
250 |
35 |
420 |
M24 | |||||||||||||
|
06 |
945 |
670 |
≈500 |
435 |
485 |
79 |
335 |
65m6 |
170 |
495 |
130 |
535 |
140n6 |
250 |
35 |
515 |
M30 | |||||||||||||
|
07 |
1035 |
750 |
≈600 |
435 |
535 |
79 |
375 |
65n6 |
170 |
495 |
130 |
535 |
160n6 |
300 |
35 |
600 |
M30 | |||||||||||||
|
07a |
1109 |
810 |
≈600 |
450 |
574 |
97 |
405 |
65n6 |
170 |
495 |
130 |
535 |
160n6 |
300 |
40 |
600 |
M30 | |||||||||||||
|
08 |
1214 |
840 |
≈600 |
450 |
634 |
97 |
420 |
65n6 |
170 |
495 |
130 |
535 |
180n6 |
300 |
40 |
600 |
M30 | |||||||||||||
|
09 |
1305 |
900 |
≈650 |
580 |
675 |
99 |
450 |
85n6 |
170 |
630 |
130 |
670 |
200n6 |
350 |
40 |
670 |
2M24 | |||||||||||||
|
10 |
1500 |
1000 |
≈700 |
635 |
780 |
133 |
500 |
190n6 |
170 |
685 |
130 |
725 |
220n6 |
350 |
40 |
740 |
2M24 | |||||||||||||
|
11 |
1700 |
1200 |
≈700 |
635 |
880 |
133 |
600 |
190n6 |
170 |
685 |
130 |
725 |
240n6 |
350 |
40 |
740 |
2M30 | |||||||||||||
|
规格 |
底座和地脚螺栓 |
风扇 |
质量
kg | |||||||||||||||||||||||||||
|
L0 |
B2 |
d |
DN |
B1 |
LS |
h1 |
N1 |
N2 |
D4 |
B4 |
H4 | |||||||||||||||||||
|
03 |
630 |
370 |
M20 |
420 |
320 |
320 |
63 |
300 |
260 |
130 |
410 |
398 |
≈325 | |||||||||||||||||
|
04 |
695 |
440 |
M24 |
500 |
380 |
375 |
70 |
350 |
280 |
150 |
480 |
422 |
≈465 | |||||||||||||||||
|
05 |
770 |
440 |
M24 |
570 |
390 |
410 |
70 |
400 |
280 |
150 |
480 |
422 |
≈590 | |||||||||||||||||
|
06 |
890 |
540 |
M30 |
590 |
460 |
500 |
85 |
400 |
320 |
200 |
610 |
548 |
≈790 | |||||||||||||||||
|
07 |
980 |
630 |
M30 |
670 |
540 |
550 |
85 |
480 |
320 |
200 |
610 |
548 |
≈910 | |||||||||||||||||
|
07a |
980 |
630 |
M30 |
730 |
540 |
550 |
85 |
560 |
380 |
200 |
670 |
548 |
≈1030 | |||||||||||||||||
|
08 |
1040 |
650 |
M36 |
740 |
560 |
610 |
100 |
560 |
380 |
200 |
690 |
548 |
≈1415 | |||||||||||||||||
|
09 |
1170 |
730 |
M36 |
800 |
630 |
660 |
100 |
600 |
460 |
220 |
770 |
685 |
≈1870 | |||||||||||||||||
|
10 |
1360 |
860 |
M42 |
900 |
760 |
800 |
120 |
700 |
580 |
220 |
900 |
740 |
≈2890 | |||||||||||||||||
|
11 |
1560 |
860 |
M42 |
1100 |
760 |
900 |
120 |
840 |
580 |
220 |
900 |
740 |
≈3550 | |||||||||||||||||
gelufu.com
格鲁夫配件