电话:0312-6784766
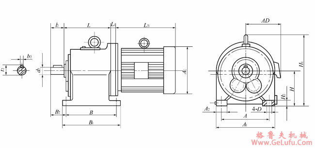
TY系列同轴式硬齿面齿轮减速器外形尺寸ZBJ19009-88
Mobile:13331225020
格鲁夫减速机
格鲁夫配件
|
规格 |
d2
(m6) |
l2 |
b2 |
t2 |
H |
L |
H1 |
B2 |
B |
B1 |
A |
A1 |
A2 |
H2 |
D |
重量
≈(kg) |
润滑油量
≈I |
|
50 |
24 |
36 |
8 |
27 |
112 |
178 |
230 |
47 |
180 |
220 |
160 |
200 |
40 |
25 |
12 |
28 |
0.6 |
|
63 |
25 |
42 |
8 |
28 |
132 |
206 |
271 |
60 |
205 |
245 |
160 |
200 |
40 |
25 |
14.5 |
35 |
0.9 |
|
80 |
35 |
58 |
10 |
38 |
180 |
242 |
362 |
81 |
240 |
290 |
210 |
260 |
50 |
30 |
18.5 |
47 |
1.6 |
|
100 |
45 |
82 |
14 |
48.5 |
200 |
261 |
398 |
103 |
275 |
330 |
260 |
320 |
60 |
40 |
24 |
69 |
1.8 |
|
115 |
50 |
82 |
14 |
53.5 |
225 |
273 |
439 |
98 |
285 |
350 |
285 |
350 |
65 |
40 |
24 |
92 |
2.5 |
|
125 |
55 |
82 |
16 |
59 |
250 |
295 |
480 |
99 |
320 |
390 |
310 |
385 |
75 |
50 |
28 |
104 |
3.1 |
|
140 |
65 |
105 |
18 |
69 |
265 |
332 |
492 |
127 |
350 |
420 |
350 |
420 |
75 |
50 |
35 |
163 |
3.8 |
|
160 |
75 |
105 |
20 |
79.5 |
315 |
337 |
585 |
118 |
385 |
480 |
380 |
480 |
100 |
60 |
42 |
193 |
5.9 |
|
180 |
85 |
130 |
22 |
90 |
355 |
368 |
638 |
141 |
405 |
500 |
425 |
535 |
110 |
70 |
42 |
269 |
7.5 |
|
200 |
95 |
130 |
25 |
100 |
375 |
394 |
686 |
147 |
425 |
530 |
480 |
590 |
110 |
70 |
42 |
330 |
9.2 |
|
224 |
100 |
165 |
28 |
106 |
425 |
430 |
795 |
185 |
460 |
560 |
515 |
655 |
140 |
80 |
48 |
449 |
12 |
|
250 |
110 |
165 |
28 |
106 |
475 |
472 |
875 |
191 |
480 |
580 |
585 |
725 |
140 |
80 |
48 |
623 |
18.3 |
|
规格 |
电机型号 | ||||||||||
|
Y80 |
Y90 |
Y100 |
Y112 |
Y132 |
Y160 |
Y180 |
Y200 |
Y225 |
Y250 |
Y280 | |
|
50 |
0 |
0 |
― |
― |
― |
― |
― |
― |
― |
― |
― |
|
63 |
0 |
0 |
― |
― |
― |
― |
― |
― |
― |
― |
― |
|
80 |
― |
―3 |
0 |
0 |
― |
― |
― |
― |
― |
― |
― |
|
100 |
― |
―10 |
0 |
0 |
5 |
― |
― |
― |
― |
― |
― |
|
112 |
― |
―16 |
-6 |
―46 |
0 |
30 |
30 |
― |
― |
― |
― |
|
125 |
― |
― |
-10.5 |
―10.5 |
0 |
22 |
22 |
― |
― |
― |
― |
|
140 |
― |
― |
-9.5 |
―9.5 |
0 |
22 |
22 |
22 |
― |
― |
― |
|
160 |
― |
― |
―16 |
―16 |
―11 |
17 |
17 |
17 |
47 |
― |
― |
|
180 |
― |
― |
―14 |
―14 |
―13 |
16 |
16 |
16 |
45 |
― |
― |
|
200 |
― |
― |
―24 |
―24 |
―19 |
9 |
9 |
9 |
39 |
39 |
39 |
|
224 |
― |
― |
― |
― |
―19 |
0 |
0 |
0 |
22 |
22 |
22 |
|
250 |
― |
― |
― |
― |
―21 |
―14 |
―14 |
-14 |
16 |
16 |
16 |