您好,欢迎进入格鲁夫机械设备制造有限公司官网!
减速机|丝杆升降机|减速电机|行业专用减速机|减速机配件|减速机厂|丝杆升降机厂|转向器厂

联系我们

邮箱:china@gelufu.com
电话:0312-6784766
地址:莲池区焦庄乡 在线咨询

齿轮减速机

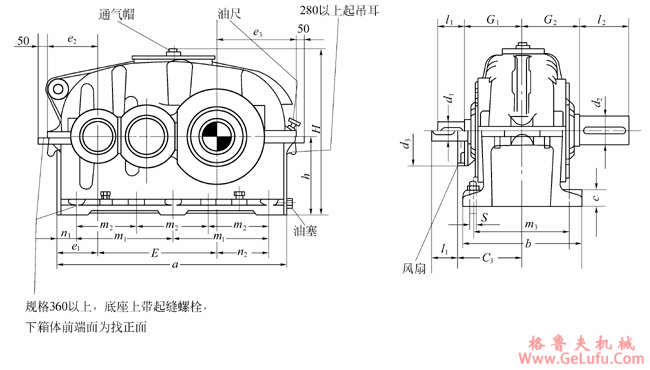
SZNB112、SZNB125、SZNB140、SZNB160、SZNB180、SZNB200、SZNB225、SZNB250、SZNB280、SZNB320、SZNB360、SZNB400、SZNB450、SZNB500、SZNB560、SZNB630、SZNB710、SZNB800型圆柱齿轮减速机外形及安装尺寸

发布日期:2023-12-28 18:45 浏览次数:

SZNB112、SZNB125、SZNB140、SZNB160、SZNB180、SZNB200、SZNB225、SZNB250、SZNB280、SZNB320、SZNB360、SZNB400、SZNB450、SZNB500、SZNB560、SZNB630、SZNB710、SZNB800型圆柱齿轮减速机外形及安装尺寸(图1)

Tel:0312-6784766

SZNB型圆柱齿轮减速机外形及安装尺寸

传真:0312-6784733

SZNB112、SZNB125、SZNB140、SZNB160、SZNB180、SZNB200、SZNB225、SZNB250、SZNB280、SZNB320、SZNB360、SZNB400、SZNB450、SZNB500、SZNB560、SZNB630、SZNB710、SZNB800型圆柱齿轮减速机外形及安装尺寸(图2) gelufu.com

SZNB型减速器外形尺寸 (mm)

www.gelufu.com.cn

型号规格
a
b
c
轴 端1
d2
l2
d33
E
e1
d1
l1
G32
d1
l1
G32
iN=7.1~11.2
iN=12.5~20
112
125
140
385
425
475
215
235
245
22
25
25
24k6
28m6
32m6
40
50
60
-
-
140
22k6
24k6
28m6
35
40
50
-
-
-
48m6
55m6
65m6
80
90
105
-
- Tel:0312-6784766
202
192
215
240
75.5
77.5
85
160
180
200
540
600
665
290
320
355
32
32
40
38m6
42m6
48m6
60
70
80
160
180
190
32m6
32m6
38m6
60
60
60
-
-
190
75m6
85m6
95m6
120
140
160
202
251
251
272
305
340
103
110
117.5
225
250
280
320
755
830
920
1030
390
450
500
570
40
50
50
63
48m6
60m6
65m6
75m6
80
105
105
120
220
235
285
305
42m6
48m6
55m6
60m6
70
80
90
105
220
235
285
305
100m6
110n6
130n6
140n6
180
180
210
240
315
315
385
385
385
430
480
545
137.5
145
155
170
360
400
450
1150
1280
1450
600
690
750
63
80
80
85m6
90m6
100m6
140
160
180
335
380
420
70m6
80m6
85m6
120
140
140
335
380
420
170n6
180n6
210n6
270
310
350
425
529
589
610
680
770
190
215
240
iN=7.1~12.5
iN=14~18
500
560
630
710
800
1600
1760
1980
2220
2500
83
910
1010
1110
1320
100
100
125
125
160
110n6
120n6
140n6
160n6
180n6
180
210
240
270
310
460
515
-
-
-
95m6
110n6
120n6
140n6
160n6
160
180
210
240
270
460
515
-
-
-
240n6
270n6
300n6
340n6
390n6
400
450
500
550
650
649
689
-
-
-
860
960
1080
1210
1360
260
265
295
335
375
(续)

型号规格
e2
e3
G12
G2
h
H≈
m1
m2
m3
n1
n2
地脚螺栓
平均质量(kg)
最大油量(L)
s
数量
112
125
140
92
98
106
134
153
171
105
115
125
110
115
125
125
140
160
268
297
335
160
180
200
-
-
-
180
200
210
32.5
32.5
37.5
85
100
112.5
M12
M12
M12
6
6
6
53
72
100
3
4.3
6
160
180
200
126
134
148
188
209
238
140
150
165
140
155
170
180
200
225
375
415
462
225
250
280
-
-
-
245
275
300
45
50
52.5
120
135
155
M16
M16
M20
6
6
6
135
185
260
8.5
11.5
16.5
225
250
280
320
168
184
195
219
263
293
325
364
185
210
235
260
190
215
240
270
250
280
315
355
515
574
646
721
310
350
380
420
-
-
-
-
335
380
430
490
67.5
65
80
95
165
190
205
220
M20
M24
M24
M30
6
6
6
6
350
480
680
950
23
32
46
65
360
400
450
238
275
305
398
445
505
280
310
350
290
320
360
400
450
500
806
906
1006
475
520
-
-
-
400
520
590
650
100
120
125
250
265
315
M30
M36
M36
6
6
8
1250
1750
2450
90
125
180
500
560
630
710
800
337
354
384
440
533
557
624
694
780
923
390
410
460
500
595
400
440
490
540
645
560
630
710
800
900
1121
1263
1406
1583
1783
-
-
-
-
-
440
490
540
610
680
710
790
870
950
1140
140
145
180
195
230
340
390
425
480
535
M42
M42
M48
M48
M56
8
8
8
8
8
3400
4600
6400
8800
12500
250
350
350
520
600
gelufu.com

注:1. 带平键的轴端,按GB1096-79,A型。
2. G1为不带风扇尺寸,G3为带风扇尺寸。
3. 带风扇冷却的只有规格140~560;如对带风扇冷却的减速器加设防护罩时,应留有空间使空气流通。

Copyright © 2023-2025 格鲁夫 版权所有 备案号:冀ICP备19023093号-2

电子营业执照图标 电子营业执照