您好,欢迎进入格鲁夫机械设备制造有限公司官网!
减速机|丝杆升降机|减速电机|行业专用减速机|减速机配件|减速机厂|丝杆升降机厂|转向器厂

联系我们

邮箱:china@gelufu.com
电话:0312-6784766
在线咨询

齿轮减速机

YNF395、YNFO395、FNFA395、YNF440、YNFO440、FNFA440、YNF497、YNFO497、FNFA497、YNF555、YNFO555、FNFA555、YNF620、YNFO620、FNFA620、YNF705、YNFO705、FNFA705、YNF790、YNFO790、FNFA790、YNF880、YNFO880、FNFA880、YNF995、YNFO995、F

发布日期:2023-12-28 18:45 浏览次数:

YNF395、YNFO395、FNFA395、YNF440、YNFO440、FNFA440、YNF497、YNFO497、FNFA497、YNF555、YNFO555、FNFA555、YNF620、YNFO620、FNFA620、YNF705、YNFO705、FNFA705、YNF790、YNFO790、FNFA790、YNF880、YNFO880、FNFA880、YNF995、YNFO995、F(图1) 格鲁夫丝杆升降机

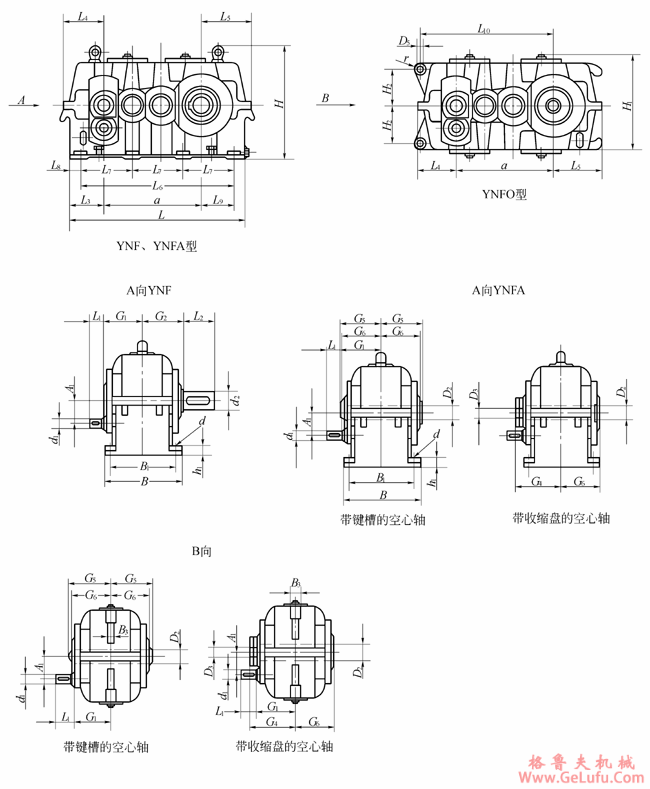
YNF、YNFO、FNFA系列圆柱齿轮减速机外形及安装尺寸(YB/T050-93)

mail:china@gelufu.com

YNF395、YNFO395、FNFA395、YNF440、YNFO440、FNFA440、YNF497、YNFO497、FNFA497、YNF555、YNFO555、FNFA555、YNF620、YNFO620、FNFA620、YNF705、YNFO705、FNFA705、YNF790、YNFO790、FNFA790、YNF880、YNFO880、FNFA880、YNF995、YNFO995、F(图2)

格鲁夫齿轮箱

YNF、YNFO、YNFA减速器外形尺寸 (mm)

WX:grove_company

a
L
B
h1
d1
L1
d1
L1
d1
L1
d2
L2
A1
L3
L4
L5
G1
G2
H0
iN=112~280
iN=280~315
iN=315~500
395
440
497
665
745
840
320
355
390
32
40
40
16k6
19k6
22k6
30
35
35
14k6
16k6
19k6
30
30
35
-
-
-
-
-
-
85m6
95m6
100m6
140
160
180
63
70
80
85
97.5
110.5
109
128
141
209
238
263
145
160
170
155
170
190
200
225
250
555
620
705
930
1025
1160
450
500
570
50
50
63
24k6
28m6
32m6
40
50
60
22k6
24k6
28m6
35
40
50
-
-
-
-
-
-
110n6
130n6
140n6
180
210
240
90
100
112
120
120
140
158
160
189
293
325
364
190
210
230
215
240
270
280
315
355
790
880
995
1280
1420
1610
600
690
750
63
80
80
38m6
42m6
48m6
60
70
80
32m6
38m6
42m6
60
60
70
28m6
32m6
38m6
50
60
60
170n6
180n6
210n6
270
310
350
125
140
160
140
155
175
188
215
240
398
445
505
255
290
320
290
320
360
400
450
500
iN=100~160
iN=180~250
iN=280~500
1110
1240
1400
1570
1760
1790
2010
2260
2540
2850
830
910
1030
1160
1320
100
100
125
125
160
48m6
60m6
65m6
75m6
80m6
80
105
105
120
140
42n6
55m6
60m6
65m6
70m6
70
90
105
105
120
38m6
48m6
48m6
55m6
65m6
60
80
80
90
105
240n6
270n6
300n6
340n6
390n6
400
450
500
550
650
180
200
225
250
280
200
235
255
295
335
277
324
344
400
448
557
624
694
780
868
355
400
450
500
575
400
440
500
560
645
560
630
710
800
900
a
H≈
L6
L7
B1
L8
L9
H1
B3
D5
H11
H2
L10
r
地脚螺栓
平均质量(kg)
参考油量(L)
d
数量
YNF
YNFA
YNFO
YNF
YNFA
YNFO
395
440
497
415
462
511
570
630
705
190
210
235
275
300
335
47.5
57.5
67.5
137.5
150
165
430
474
522
35
45
50
25
30
35
130
145
160
475
530
602
26
30
35
M16
M20
M20
8
8
8
205
290
400
175
245
330
16
21
29
10
14
19
555
620
705
570
644
719
810
855
960
270
285
320
380
430
490
60
85
100
195
200
215
580
658
728
55
60
70
40
40
45
180
200
230
670
735
845
40
40
46
M24
M24
M30
8
8
8
550
760
1100
460
640
890
40
58
82
26
36
49
790
880
995
806
906
1006
1080
1200
1350
360
400
450
520
590
650
100
110
130
250
275
310
812
912
1012
80
90
105
50
55
60
260
310
330
930
1040
1170
53
55
60
M30
M36
M36
8
8
8
1450
2000
2700
1200
1650
2300
140
185
260
80
110
150
1110
1240
1400
1570
1760
1121
1261
1406
1581
1783
1500
1680
1890
2130
2400
500
560
630
710
800
710
790
890
1000
1140
145
165
185
205
225
335
370
420
470
530
1122
1262
1392
1562
1766
105
110
110
130
140
65
70
80
90
100
370
420
460
520
580
1310
1465
1650
1850
2080
70
80
90
100
110
M42
M42
M48
M48
M56
8
8
8
8
8
3900
5200
7300
11000
14000
3300
4400
6200
9200
11500
360
530
570
900
1200
210
280
380
530
730
Mobile:13331225020

Copyright © 2023-2025 格鲁夫 版权所有 备案号:冀ICP备19023093号-2

电子营业执照图标 电子营业执照
选择语言
Hello,欢迎来咨询~