格鲁夫齿轮箱
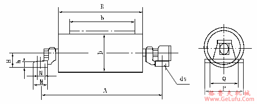
TZ型支座安装尺寸 mail:china@gelufu.com
邮箱:china@gelufu.com
|
D |
b |
A |
B |
H |
M |
N |
p |
Q |
h |
ds |
|
315 |
400 |
750 |
500 |
100 |
70 |
― |
310 |
250 |
30 |
27 |
|
500 |
850 |
600 |
120 |
90 |
― |
340 |
280 |
35 |
27 | |
|
650 |
1000 |
750 |
120 |
90 |
― |
340 |
280 |
35 |
27 | |
|
400 |
400 |
750 |
500 |
100 |
70 |
― |
310 |
250 |
30 |
27 |
|
500 |
850 |
600 |
120 |
90 |
― |
340 |
280 |
35 |
27 | |
|
650 |
1000 |
750 |
120 |
90 |
― |
340 |
280 |
35 |
27 | |
|
500 |
500 |
850 |
600 |
100 |
70 |
― |
340 |
280 |
35 |
27 |
|
650 |
1000 |
750 |
120 |
90 |
― |
340 |
280 |
35 |
27 | |
|
800 |
1300 |
950 |
120 |
90 |
― |
340 |
280 |
35 |
27 | |
|
630 |
650 |
1000 |
750 |
120 |
90 |
― |
340 |
280 |
35 |
27 |
|
800 |
1300 |
950 |
140 |
130 |
80 |
400 |
330 |
35 |
27 | |
|
1000 |
1500 |
1150 |
140 |
130 |
80 |
400 |
330 |
35 |
27 | |
|
1200 |
1750 |
1400 |
160 |
160 |
90 |
440 |
360 |
50 |
34 | |
|
800 |
1400 |
2000 |
1600 |
160 |
160 |
90 |
440 |
360 |
50 |
34 |