您好,欢迎进入格鲁夫机械设备制造有限公司官网!
减速机|丝杆升降机|减速电机|行业专用减速机|减速机配件|减速机厂|丝杆升降机厂|转向器厂

联系我们

邮箱:china@gelufu.com
电话:0312-6784766
在线咨询

行业专用减速机

TJ型电动滚筒的技术规格参数(直径215~400mm)

发布日期:2023-12-28 20:32 浏览次数:

TJ型电动滚筒的技术规格参数(直径215~400mm)(图1) 格鲁夫齿轮箱

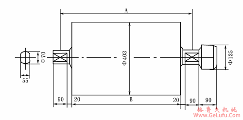
● 滚筒名义直径 Ø215mm ●

TJ型电动滚筒的技术规格参数(直径215~400mm)(图2)

电话:0312-6784766

A=B+82配KL40型支座
功率kw
带速m/s
最小筒宽B・min mm
最大筒宽 B・max mm
滚筒重量Kg
最小筒宽
每增加100mm
0.11
0.08 0.10 0.13
400
950
60
4
0.25
0.13 0.16 0.20 0.25 0.32
0.40 0.50 0.63
0.37
0.16 0.20 0.25 0.32 0.40
0.50 0.63 0.80 1.00 1.25
0.75
0.25
500
950
62
0.32 0.40 0.50 0.63 0.80
1.00 1.25 1.60 2.00 2.50
400
950
60
1.1
0.50 0.63 0.80 1.00
1.25 1.60 2.00 2.50
400
950
1.5
0.40 0.50 0.63 0.80 1.00
1.25 1.60 2.00 2.50
500
950
2.2
0.50 0.63 0.80 1.00
1.25 1.60 2.00 2.50
500
950
3.0
1.00 1.25 1.60 2.00 2.50
500
950
64
注:图A为接线盒接线装置 图B是软接线装置
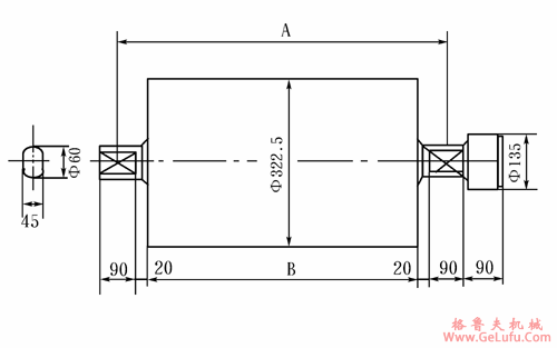
● 滚筒名义直径 Ø315mm ●

TJ型电动滚筒的技术规格参数(直径215~400mm)(图3)

Tel:0312-6784766

A=B+102配KL60支座
功率kw
带速m/s
最小筒宽B・min mm
最大筒宽 B・max mm
滚筒重量Kg
最小筒宽
每增加100mm
1.5
0.25 0.32 0.40 0.50
0.63 0.80 1.00 1.25
500
1150
113
7
2.2
0.40 0.50 0.63 0.80 1.00
1.25 1.60 2.00 2.50
3.0
0.50 0.63 0.80 1.00 1.25
1.60 2.00 2.50 3.20
4.0
0.80 1.00 1.25 1.60
2.00 2.50 3.20
123
5.5
1.00 1.25 1.60 2.00 2.50
3.20
133
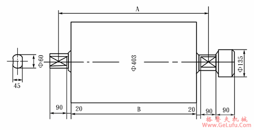
● 滚筒名义直径 Ø400mm ●

TJ型电动滚筒的技术规格参数(直径215~400mm)(图4) 电话:0312-6784766

A=B+102配KL60型支座
功率kw
带速m/s
最小筒宽B・min mm
最大筒宽 B・max mm
滚筒重量Kg
最小筒宽
每增加100mm
1.5
0.50 0.63 0.80 1.00 1.25
1.60
500
1150
123
10
2.2
0.80 1.00 1.25 1.60 2.00
2.50 3.20
3.0
1.25 1.60 2.00 2.50
3.20 4.00
4.0
1.25 1.60 2.00 2.50
3.20 4.00
147
5.5
2.00 2.50 3.20 4.00
160

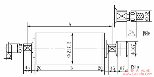
TJ型电动滚筒的技术规格参数(直径215~400mm)(图5)

格鲁夫机械

A=B+112配KL70型支座

功率kw
带速m/s
最小筒宽B・min mm
最大筒宽 B・max mm
滚筒重量Kg
最小筒宽
每增加100mm
2.2
0.32 0.40 0.50 0.63
600
1150
207
12
3.0
0.50 0.63
700
1150
0.80 1.00
600
1150
4.0
0.63 0.80 1.00
600
1150
5.5
0.80 1.00 1.25 1.60
600
1150
7.5
1.00 1.25 1.60
700
1150
2.00 2.50 3.20
600
邮箱:china@gelufu.com

Copyright © 2023-2025 格鲁夫 版权所有 备案号:冀ICP备19023093号-2

电子营业执照图标 电子营业执照
选择语言
Hello,欢迎来咨询~