您好,欢迎进入格鲁夫机械设备制造有限公司官网!
减速机|丝杆升降机|减速电机|行业专用减速机|减速机配件|减速机厂|丝杆升降机厂|转向器厂

联系我们

邮箱:china@gelufu.com
电话:0312-6784766
地址:莲池区焦庄乡 在线咨询

行业专用减速机

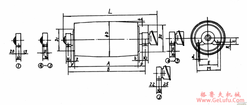
FXT型风冷式摆线滚筒外形安装尺寸

发布日期:2023-12-28 20:32 浏览次数:

FXT型风冷式摆线滚筒外形安装尺寸(图1)

gelufu.com

FXT型风冷式摆线滚筒外形安装尺寸FXT型风冷式摆线滚筒外形安装尺寸(图2)

Tel:0312-6784766

序号
滚筒
机型号
滚筒
直径D
A
B
C
D1
D2
E
M
N1
N2
R
a
b
d
P
F
t
L
皮带
宽度
1
FXT26
260
400
470
50
170
174
125
155
35
40
20
19
10
13
35
1.5
600
300
2
FXT30
300
500
580
60
194
210
150
180
50
47
20
6
4.5
14
40
2
760
400
3
FXT36
360
650
800
70
228
278
170
210
60
60
20
11
11
18
75
2
940
500
4
FXT46
460
800
930
80
0
0
200
240
100
100
25
0
0
18
65
60
2
1160
650
5
FXT52
520
950
1100
95
0
0
220
260
120
120
25
0
0
18
75
80
2
1310
800
注:1.同一种机型号滚筒(滚筒直径相同),外形安装尺寸相同。外形尺寸与电机功率和所配减速机的大小无关。
例:直径520毫米滚筒配7#、7.5千瓦减速机与配5#、5.5千瓦减速机,外形安装尺寸相同。

2.括号()内尺寸为参考数。 Tel:0312-6784766

Copyright © 2023-2025 格鲁夫 版权所有 备案号:冀ICP备19023093号-2

电子营业执照图标 电子营业执照