WX:grove_company
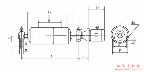
YZW型外装式电动滚筒外形及安装尺寸 格鲁夫机械
Mobile:13331225020
|
D |
BB |
A |
L |
L1 |
L2 |
H |
M |
N |
P |
Q |
dS |
h |
L2 | |
|
315(320) |
500 |
850 |
600 |
≤732 |
按
电
机 |
120 |
90 |
|
340 |
280 |
27 |
35 |
Y100
Y112 |
131
|
|
650 |
1000 |
750 |
≤882 | |||||||||||
|
800 |
1300 |
950 |
≤1032 |
Y132 |
151 | |||||||||
|
400 |
500 |
850 |
600 |
≤744 |
120 |
90 |
|
340 |
280 |
27 |
35 |
Y100
Y112 |
131
| |
|
650 |
1000 |
750 |
≤894 | |||||||||||
|
800 |
1300 |
955 |
≤1044 |
Y132 |
151 | |||||||||
|
500 |
500 |
850 |
600 |
≤748 |
100 |
70 |
|
340 |
280 |
27 |
35 |
Y100
Y112 |
131
| |
|
620 |
Y132 |
147 | ||||||||||||
|
650 |
1000 |
750 |
≤900 |
120 |
90 |
Y160M |
187 | |||||||
|
800 |
1300 |
950 |
≤1100 |
120 |
90 |
Y160L
Y180 |
210 | |||||||
|
630 |
650 |
1000 |
750 |
≤868 |
120 |
90 |
|
340 |
280 |
27 |
35 |
Y160M |
194 | |
|
800 |
1300 |
950 |
≤1068 |
140 |
130 |
80 |
400 |
330 |
27 |
35 |
Y160L
Y180 |
205 | ||
|
1000 |
1500 |
1150 |
≤1268 |
140 |
130 |
80 |
400 |
330 |
27 |
35 | ||||
|
Y200 |
203 | |||||||||||||
|
1200 |
1750 |
1400 |
≤1514 |
160 |
160 |
90 |
440 |
360 |
34 |
50 | ||||
|
Y225 |
238 | |||||||||||||
|
1400 |
2000 |
1600 |
≤1720 |
160 |
160 |
90 |
440 |
360 |
34 |
50 | ||||
|
800 |
1000 |
1500 |
1150 |
≤1268 |
140 |
145 |
80 |
400 |
330 |
27 |
35 |
Y160
Y180 |
200 | |
|
1200 |
1750 |
1400 |
≤1514 |
160 |
160 |
90 |
440 |
360 |
34 |
50 |
Y200 |
210 | ||
|
1400 |
2000 |
1600 |
≤1720 |
160 |
160 |
90 |
440 |
360 |
34 |
50 |
Y225 |
240 | ||
|
1000 |
1000 |
1500 |
1150 |
≤1268 |
140 |
145 |
80 |
400 |
330 |
27 |
35 |
Y160
Y180 |
200 | |
|
1200 |
1750 |
1400 |
≤1514 |
160 |
160 |
90 |
440 |
360 |
34 |
50 |
Y200 |
210 | ||
|
1400 |
2000 |
1600 |
≤1720 |
160 |
160 |
90 |
440 |
360 |
34 |
50 |
Y225 |
240 | ||
格鲁夫机械