您好,欢迎进入格鲁夫机械设备制造有限公司官网!
|
网站地图
|
Tag标签
|
在线留言
|
联系我们
网站首页
Home
关于我们
ABOUT US
关于我们
售后保障
产品中心
PRODUCT
蜗轮减速机
齿轮减速机
丝杆升降机
减速电机
精密减速机
行业专用减速机
联轴器
摆线针轮减速机
技术文章
NEWS
蜗轮减速机
齿轮减速机
摆线针轮减速机
精密减速机
丝杆升降机
行星齿轮减速机
行业专用减速机
联轴器
减速机相关
问题解疑
减速电机
无极变速器
国外及港台减速机
电机
合作案例
CASE
售后服务
service
在线留言
MESSAGE
联系我们
CONTACT US
技术文章
蜗轮减速机
齿轮减速机
摆线针轮减速机
精密减速机
丝杆升降机
行星齿轮减速机
行业专用减速机
联轴器
减速机相关
问题解疑
减速电机
无极变速器
国外及港台减速机
电机
推荐产品
GL12滚子链联
WGZ12带制动
GⅡCL5型鼓形
WPWDKT系列
联系我们
邮箱:
china@gelufu.com
电话:
0312-6784766
在线咨询
主页
>
技术文章
>
行业专用减速机
行业专用减速机
ZJ25W-1型锅炉炉排调速机
发布日期:2023-12-28 19:52
浏览次数:
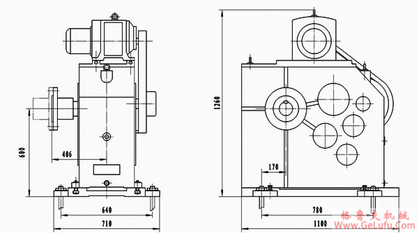
格鲁夫减速机
ZJ25W-1型锅炉炉排调速器
适用于额定负载转矩不大于26500 N.m(建议用于25吨/小时蒸发量)的链条炉排锅炉;也可用在要求速比大、能在适当范围内调速,负载转矩相当的其它设备上。配用YCT132-4B(1.5 kW)电磁调速电机,输出转速0.0193-0.1930 r/min。整机重量1300kg。
上一篇:ZJ15W型锅炉炉排调速机
下一篇:ZJ40W-1型锅炉炉排调速机
查看更多 >>
推荐资讯
WXJ圆柱蜗杆减速机适用范围
WXJ圆柱蜗杆减速机简介,WXJ圆柱蜗杆减速机特点,WXJ圆柱蜗杆减速机参数,WXJ圆柱蜗杆减速机具体型号,WXJ圆柱蜗...
KW型锥面包络圆柱蜗杆减速机(JB/T
本文提供KWS32、KWS40、KWS50、KWS63、KWS80、KWS100型锥面包络圆柱蜗杆减速机的详细外形安装尺...
ZQD型和ZQ型大速比减速机基本参数
ZQ、ZQD大速比圆柱齿轮减速机简介,ZQ、ZQD大速比圆柱齿轮减速机特点,ZQ、ZQD大速比圆柱齿轮减速机参数,ZQ、...
TB9000摆线针轮减速机单级双轴选型表
新型9000系列摆线针轮减速机简介,新型9000系列摆线针轮减速机特点,新型9000系列摆线针轮减速机参数,新型9000...
选择语言
×
Українська
Norsk
Cymraeg
Nederlands
日本語
Filipino
English
ລາວ
తెలుగు
Română
नेपाली
Français
Kreyòl Ayisyen
Čeština
Svenska
Русский
Malagasy
မြန်မာစာ
پښتو
ไทย
Հայերեն
简体中文
فارسی
繁體中文
Kurdî
Türkçe
हिन्दी
Български
Bahasa Melayu
Kiswahili
ଓଡ଼ିଆ
Íslenska
Gaeilge
ភាសាខ្មែរ
ગુજરાતી
Slovenčina
ಕನ್ನಡ
עברית
Magyar
मराठी
தமிழ்
Eesti
മലയാളം
Inuktitut
العربية
Deutsch
Slovenščina
বাংলা
اردو
Azərbaycan
Português
Samoan
Afrikaans
Tongan
Ελληνικά
Bahasa Indonesia
Español
Dansk
አማርኛ
ਪੰਜਾਬੀ
Shqip
Lietuvių
Italiano
Tiếng Việt
한국어
Malti
Suomi
Català
Hrvatski
Bosanski
Polski
Latviešu
Māori
Hello,欢迎来咨询~