您好,欢迎进入格鲁夫机械设备制造有限公司官网!
减速机|丝杆升降机|减速电机|行业专用减速机|减速机配件|减速机厂|丝杆升降机厂|转向器厂

联系我们

邮箱:china@gelufu.com
电话:0312-6784766
在线咨询

行业专用减速机

JCGT6-700锅炉调速箱安装、调整与维护

发布日期:2023-12-28 19:52 浏览次数:

JCGT6-700锅炉调速箱安装、调整与维护(图1) QQ:20275456

安装与调整
1 按装时应校准链条炉排的联轴节和本调速的联轴节,使两联轴节的同轴度,两端面的平等度均小于0.05mm,在没有校准的情况下,不允许强行联接,更不允许在没有校准的情况下运转,不然会引起机件的严重破坏.
2 按装完毕后,应详细检查各紧固件是否全部紧固,电机接线是否正确在确认无任何问题的情况下,才可进行空运行试验.空运行时,应运转平稳,噪间不超过85分贝,无渗漏现象.
3 新锅炉试车时,有可能拖动炉排所需的扭矩较大,这时可将安全离合器弹簧调紧些,待运转数分钟后再缓慢调松安全离合器弹簧,直至安全离合器自动脱开,然后再将安全离合器弹簧作适当调紧,继续进行试车.
使用及维护保养:
1 安装使用后,如发现安全离合器经常自动脱开,不能拖动链条炉排,可将安全离合器弹簧适当调紧,但不能把弹簧压死,否则安全离合器起不到安全作用,会引起机件的破环.
2 运行过程中,如发现安全离合器突然脱开拖不动炉排,这时应立即停车,先检查是否因安全离合器弹簧过松而引起,可参照上面第1 条处理后,再开车观察安全离合器是否脱开,若安全离合仍突然脱开而拖不动炉排,应立即停车,检查原因,经修理后再运行,多数情况下是炉排卡死,可先使操作手柄处在空楼位置,在安全离合器轴端部方榫处用扳手反扳,或使电机反转,以利排除卡死现象,必要时应除去炉渣,取出卡在炉排上的异物.切勿强制使用,造成机件损坏.
3 本调速箱分上,下两部分,在使用前,上箱壳内必须注入HJ-30或HJ-40机械油.下箱壳内必须注入HJ-30或HJ-40机械油.外面各有一只油标可观察油面高度,注入的机械油不能超过油标上限线,并经常观察润滑油油量,当油面高度低于油标下限线时应及时补足.
4 安装使用三个月后,应进行次换油,以后每使用六个月应换油一次.
5 输出轴两端滑动轴承处装有两只针阀式滴油杯,加30号或40号机械油,滴油速度控制在每分钟1-2滴.
6 本调速箱系用专用夹具装配,出厂前均经严格检查,并经精密测试,装配等各种精度较高.用户不得自行随便拆装,否则会失去原有精度而影响使用.
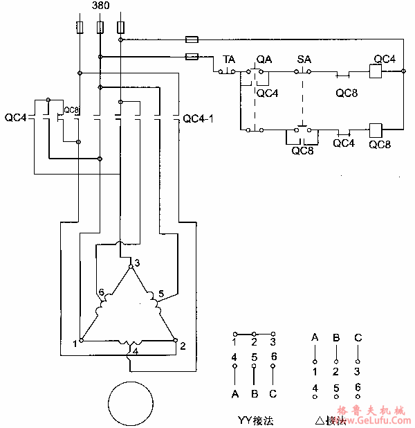
本调速箱选用双速电机,一般双速电机四极时,定子绕组为YY接法,八极时定子绕组为△接法.接线时,将锅炉电器控制箱中的六根出线,按照其接线图分别接在电机出线盒的六个接线柱上(如示意图)接线后应仔细检查接线是否正确.接线错误,电机可能不转或转速低,声音大,甚至烧坏电机.如该图与所配电机上的接线图不符,应以所配电机上的接线图为准.
JCGT6-700锅炉调速箱安装、调整与维护
JCGT6-700锅炉调速箱安装、调整与维护(图2)

Copyright © 2023-2025 格鲁夫 版权所有 备案号:冀ICP备19023093号-2

电子营业执照图标 电子营业执照
选择语言
Hello,欢迎来咨询~