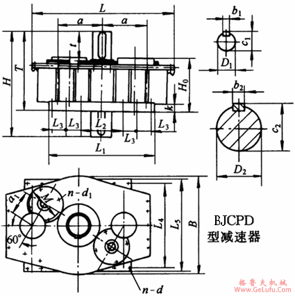
BJCPD125、BJCPD145、BJCPD175、BJCPD215、BJCPD255、BJCPD300、BJCPD350、BJCPD400、BJCPD450型三环减速机外形及安装尺寸
发布日期:2023-12-28 19:56
浏览次数:
Mobile:13331225020
BJCPD型三环减速机外形及安装尺寸
格鲁夫丝杆升降机
Tel:0312-6784766
BJCPD型减速器主要尺寸 /mm
|
规格 |
中心尺寸 |
轮廓尺寸 |
地脚螺栓 |
输入尺寸 |
输出轴伸 |
所配电动机
(机座号) |
质量
m/kg |
|
a |
a1 |
H0 |
L |
B |
H |
n-d |
k |
L1 |
L2 |
L3 |
L4 |
L5 |
D1 |
b1 |
c1 |
M |
n-d1 |
D2 |
t |
T |
c2 |
b2 |
|
125 |
125 |
65 |
290 |
410 |
250 |
385 |
8-M12 |
35 |
330 |
170 |
60 |
210 |
250 |
19 |
6 |
21.5 |
165 |
4-M10 |
38k6 |
58 |
333 |
41 |
10 |
80 |
85 |
|
145 |
145 |
80 |
315 |
475 |
290 |
448 |
8-M16 |
40 |
390 |
200 |
70 |
235 |
280 |
19 |
6 |
21.5 |
165 |
4-M10 |
48k6 |
82 |
372 |
51.5 |
14 |
80 |
135 |
|
|
|
|
|
|
|
|
|
|
|
|
|
|
|
24 |
8 |
27 |
|
|
|
|
|
|
|
90 |
|
|
|
|
|
|
|
|
|
|
|
|
|
|
|
|
19 |
6 |
21.5 |
165 |
4-M10 |
|
|
|
|
|
80 |
|
|
175 |
175 |
100 |
340 |
585 |
365 |
523 |
8-M16 |
45 |
470 |
240 |
90 |
305 |
350 |
24 |
8 |
27 |
165 |
4-M10 |
60m6 |
105 |
425 |
64 |
18 |
90 |
195 |
|
|
|
|
|
|
|
|
|
|
|
|
|
|
|
28 |
8 |
31 |
215 |
4-M12 |
|
|
|
|
|
100 |
|
|
|
|
|
|
|
|
|
|
|
|
|
|
|
|
24 |
8 |
27 |
165 |
4-M10 |
|
|
|
|
|
90 |
|
|
215 |
215 |
130 |
370 |
690 |
430 |
553 |
8-M20 |
50 |
560 |
280 |
110 |
350 |
400 |
28 |
8 |
31 |
215 |
4-M12 |
75m6 |
105 |
455 |
79.5 |
20 |
100 |
285 |
|
|
|
|
|
|
|
|
|
|
|
|
|
|
|
28 |
8 |
31 |
215 |
4-M12 |
|
|
|
|
|
112 |
|
|
|
|
|
|
|
|
|
|
|
|
|
|
|
|
28 |
8 |
27 |
215 |
|
|
|
|
|
|
100 |
|
|
255 |
255 |
145 |
425 |
810 |
500 |
657 |
8-M20 |
55 |
660 |
330 |
130 |
410 |
460 |
28 |
8 |
27 |
215 |
4-M12 |
90m6 |
130 |
535 |
95 |
25 |
112 |
425 |
|
|
|
|
|
|
|
|
|
|
|
|
|
|
|
38 |
10 |
41 |
265 |
|
|
|
|
|
|
132 |
|
|
|
|
|
|
|
|
|
|
|
|
|
|
|
|
28 |
8 |
27 |
215 |
4-M12 |
|
|
|
|
|
112 |
|
|
300 |
300 |
160 |
475 |
960 |
580 |
772 |
8-M24 |
60 |
770 |
380 |
150 |
470 |
530 |
38 |
10 |
41 |
265 |
4-M12 |
110m6 |
165 |
615 |
116 |
28 |
132 |
630 |
|
|
|
|
|
|
|
|
|
|
|
|
|
|
|
42 |
12 |
45 |
300 |
4-M16 |
|
|
|
|
|
160 |
|
|
|
|
|
|
|
|
|
|
|
|
|
|
|
|
38 |
10 |
41 |
265 |
4-M12 |
|
|
|
|
|
132 |
|
|
350 |
350 |
180 |
505 |
1100 |
680 |
870 |
8-M24 |
70 |
870 |
420 |
180 |
570 |
630 |
42 |
12 |
45 |
300 |
4-M16 |
130m6 |
200 |
680 |
139 |
32 |
160 |
950 |
|
|
|
|
|
|
|
|
|
|
|
|
|
|
|
48 |
14 |
51.5 |
300 |
4-M16 |
|
|
|
|
|
180 |
|
|
|
|
|
|
|
|
|
|
|
|
|
|
|
|
42 |
12 |
45 |
300 |
|
|
|
|
|
|
160 |
|
|
400 |
400 |
210 |
575 |
1280 |
790 |
935 |
8-M24 |
80 |
990 |
500 |
200 |
670 |
740 |
48 |
14 |
51.5 |
300 |
4-M16 |
150m6 |
200 |
745 |
158 |
36 |
180 |
1530 |
|
|
|
|
|
|
|
|
|
|
|
|
|
|
|
55 |
16 |
59 |
350 |
|
|
|
|
|
|
200 |
|
|
|
|
|
|
|
|
|
|
|
|
|
|
|
|
48 |
14 |
51.5 |
300 |
4-M16 |
|
|
|
|
|
180 |
|
|
450 |
450 |
230 |
623 |
1440 |
900 |
1065 |
12-M30 |
90 |
1150 |
440 |
150 |
740 |
840 |
55 |
16 |
59 |
350 |
4-M16 |
170m6 |
240 |
835 |
179 |
40 |
200 |
2450 |
|
|
|
|
|
|
|
|
|
|
|
|
|
|
|
60 |
18 |
64 |
400 |
8-M16 |
|
|
|
|
|
225 |
|
注:定货时应注明电动机型号,本系列减速器按Y系列、YEJ系列电动机设计联接尺寸。 |
|