传真:0312-6784733
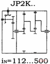
![]() |
规格
JP3N |
实际传动比 | ||||||||||
|
31.5 |
35.5 |
40 |
45 |
50 |
56 |
63 |
71 |
80 |
90 |
100 | ||
|
9 |
32.5354 |
35.6114 |
39.5264 |
43.8820 |
50.4205 |
55.7279 |
60.4522 |
69.6116 |
79.0595 |
86.2395 |
98.2172 | |
|
10 |
32.5354 |
35.6114 |
39.5264 |
43.8820 |
50.4205 |
55.7279 |
60.4522 |
69.6116 |
79.0529 |
86.2395 |
98.2172 | |
|
11 |
32.8413 |
35.8344 |
39.6083 |
43.4178 |
50.5248 |
55.8432 |
60.5774 |
69.7558 |
79.9667 |
86.4181 |
98.4206 | |
|
12 |
31.7089 |
34.5987 |
38.2425 |
41.9206 |
48.7826 |
53.9176 |
58.4885 |
67.3504 |
77.2092 |
83.4381 |
95.0268 | |
|
13 |
31.6775 |
34.6724 |
38.2425 |
42.1855 |
49.0910 |
54.2584 |
62.3262 |
67.7760 |
77.6972 |
83.9655 |
95.6273 | |
|
14 |
31.6775 |
34.6724 |
38.4842 |
42.1855 |
49.0910 |
54.2584 |
62.3262 |
67.7760 |
77.6972 |
83.9688 |
95.6273 | |
|
16 |
31.4135 |
34.3835 |
38.1635 |
41.8340 |
48.6818 |
53.8026 |
61.8068 |
67.2113 |
77.0497 |
83.2657 |
94.8304 | |
|
17 |
31.4135 |
34.3835 |
38.1635 |
41.8340 |
48.6818 |
53.8026 |
61.8068 |
67.2113 |
77.0497 |
83.2657 |
94.8304 | |
|
18 |
31.4286 |
34.4000 |
38.1818 |
43.1490 |
49.0910 |
54.8663 |
62.3262 |
67.7760 |
77.6972 |
83.9655 |
95.6273 | |
|
19/20 |
33.5238 |
36.6933 |
40.7273 |
46.0255 |
52.3636 |
58.5241 |
66.4813 |
72.2944 |
82.8770 |
89.5631 |
102.0025 | |
|
21/22 |
33.5238 |
36.6933 |
40.7273 |
46.0255 |
52.3636 |
58.5241 |
66.4813 |
72.2944 |
82.8770 |
89.5631 |
102.0025 | |
|
23/24 |
33.8391 |
36.9231 |
40.8116 |
46.1208 |
52.4720 |
58.6452 |
66.6189 |
72.4441 |
83.0486 |
89.7486 |
102.2137 | |
|
25/26 |
33.8391 |
36.9231 |
40.8116 |
46.1208 |
52.1366 |
58.6452 |
66.6189 |
72.4441 |
83.0486 |
89.7486 |
102.2137 | |
|
27/28 |
33.5238 |
36.6933 |
40.7273 |
46.0255 |
52.0288 |
58.5241 |
66.4813 |
72.2944 |
82.8770 |
89.5631 |
102.0025 | |
|
29/30 |
33.5238 |
36.6933 |
40.7273 |
46.0255 |
52.0288 |
58.5241 |
66.4813 |
72.2944 |
82.8770 |
89.5631 |
102.0025 | |
![]() |
规格
JP3N |
实际传动比 | |||||||||||||
|
112 |
125 |
140 |
160 |
180 |
200 |
225 |
250 |
280 |
320 |
360 |
400 |
450 |
500 | ||
|
9 |
111.25 |
125.75 |
145.69 |
157.28 |
175.77 |
203.53 |
223.22 |
242.15 |
278.84 |
316.65 |
345.44 |
393.42 |
442.27 |
487.63 | |
|
10 |
111.25 |
125.75 |
145.69 |
157.28 |
175.77 |
203.53 |
223.22 |
242.15 |
278.84 |
316.65 |
345.44 |
393.42 |
442.27 |
487.63 | |
|
11 |
111.83 |
125.68 |
144.42 |
155.27 |
173.52 |
200.92 |
220.36 |
239.04 |
275.26 |
312.60 |
341.01 |
388.38 |
436.6 |
481.38 | |
|
12 |
107.97 |
121.35 |
139.44 |
149.91 |
167.54 |
193.99 |
212.76 |
230.80 |
265.77 |
301.82 |
329.25 |
374.98 |
421.54 |
464.78 | |
|
13 |
107.76 |
121.80 |
141.11 |
151.19 |
167.85 |
192.86 |
213.16 |
231.23 |
266.26 |
302.38 |
329.86 |
375.68 |
422.33 |
465.64 | |
|
14 |
107.76 |
121.80 |
141.11 |
151.19 |
167.85 |
192.86 |
213.16 |
231.23 |
266.26 |
302.38 |
329.86 |
375.68 |
422.33 |
465.64 | |
|
16 |
108.47 |
122.60 |
142.04 |
153.05 |
167.77 |
195.23 |
215.79 |
234.08 |
269.55 |
309.00 |
333.93 |
380.31 |
427.53 |
471.38 | |
|
17 |
108.47 |
122.60 |
142.04 |
153.05 |
167.77 |
195.23 |
215.79 |
234.08 |
269.55 |
309.00 |
333.93 |
380.31 |
427.53 |
471.38 | |
|
18 |
107.76 |
121.80 |
141.11 |
151.19 |
165.73 |
192.86 |
213.16 |
244.85 |
266.26 |
305.24 |
329.86 |
375.68 |
422.33 |
465.64 | |
|
19/20 |
114.94 |
129.92 |
150.52 |
161.27 |
176.78 |
205.71 |
227.37 |
261.18 |
284.01 |
325.59 |
329.86 |
400.72 |
450.48 |
496.68 | |
![]() |
规格
JP3N |
实际传动比 | ||||||||
|
560 |
630 |
710 |
800 |
900 |
1000 |
1120 |
1250 |
1400 | ||
|
9 |
566.22 |
640.02 |
700.53 |
777.54 |
878.88 |
982.19 |
1137.3 |
1247.3 |
1353.1 | |
|
10 |
566.22 |
640.02 |
700.53 |
777.54 |
878.88 |
982.19 |
1137.3 |
1247.3 |
1353.1 | |
|
11 |
567.40 |
637.68 |
697.96 |
774.70 |
875.66 |
978.60 |
1133.1 |
1242.8 |
1348.1 | |
|
12 |
547.83 |
615.69 |
673.90 |
747.98 |
845.66 |
944.85 |
1094.0 |
1199.9 |
1301.6 | |
|
13 |
551.29 |
623.14 |
682.06 |
757.04 |
855.70 |
956.30 |
1107.3 |
1214.4 |
1317.4 | |
|
14 |
551.29 |
623.14 |
682.06 |
757.04 |
855.70 |
956.30 |
1107.3 |
1214.4 |
1317.4 | |
|
16 |
551.25 |
623.09 |
679.88 |
751.48 |
844.56 |
943.84 |
1092.9 |
1198.6 |
1300.2 | |
|
17 |
551.25 |
623.09 |
679.88 |
751.48 |
844.56 |
943.84 |
1092.9 |
1198.6 |
1300.2 | |
|
18 |
544.28 |
615.21 |
673.37 |
747.40 |
844.81 |
937.90 |
1077.6 |
1191.1 |
1392.1 | |
|
19/20 |
580.56 |
656.22 |
718.27 |
797.23 |
901.13 |
1000.4 |
1149.5 |
1270.5 |
1378.2 | |
|
21/22 |
580.56 |
656.22 |
718.27 |
797.23 |
901.13 |
1000.4 |
1149.5 |
1270.5 |
1378.2 | |
|
23/24 |
593.88 |
667.44 |
730.55 |
810.87 |
916.54 |
1004.7 |
1169.1 |
1292.2 |
1401.8 | |
|
25/26 |
593.88 |
667.44 |
730.55 |
810.87 |
916.54 |
1004.7 |
1169.1 |
1292.2 |
1401.8 | |
|
27/28 |
580.56 |
656.22 |
718.27 |
797.23 |
901.13 |
987.80 |
1149.5 |
1270.5 |
1459.4 | |
|
29/30 |
580.56 |
656.22 |
718.27 |
797.23 |
901.13 |
987.80 |
1149.5 |
1270.5 |
1459.4 | |
![]() |
规格
JP3N |
实际传动比 | ||||||||
|
1600 |
1800 |
2000 |
2240 |
2500 |
2800 |
3150 |
3550 |
4000 | ||
|
9 |
1558.1 |
1769.4 |
1930.3 |
2198.4 |
2471.3 |
2724.8 |
3105.0 |
3597.2 |
4167.5 | |
|
10 |
1558.1 |
1769.4 |
1930.3 |
2198.4 |
2471.3 |
2427.8 |
3105.0 |
3597.2 |
4167.5 | |
|
11 |
1552.4 |
1762.9 |
1923.2 |
2190.3 |
2462.3 |
2714.8 |
3093.6 |
3584.1 |
4118.5 | |
|
12 |
1498.9 |
1702.1 |
1856.9 |
2114.8 |
2377.4 |
2621.2 |
2986.9 |
3460.5 |
3976.5 | |
|
13 |
1517.0 |
1722.8 |
1879.4 |
2140.4 |
2406.1 |
2652.9 |
3023.1 |
3502.4 |
4057.6 | |
|
14 |
1517.0 |
1722.8 |
1879.4 |
2140.4 |
2406.1 |
2652.9 |
3023.1 |
3502.4 |
4057.6 | |
|
16 |
1497.3 |
1700.3 |
1854.9 |
2115.5 |
2374.8 |
2618.4 |
2983.8 |
3428.7 |
3972.2 | |
|
17 |
1497.3 |
1700.3 |
1854.9 |
2115.5 |
2374.8 |
2618.4 |
2983.8 |
3428.7 |
3972.2 | |
|
18 |
1487.8 |
1689.6 |
1843.2 |
2099.2 |
2359.9 |
2601.9 |
2965.0 |
3435.0 |
3979.6 | |
|
19/20 |
1587.0 |
1802.3 |
1966.1 |
2239.2 |
2517.2 |
2775.4 |
3162.6 |
3664.0 |
4244.9 | |
|
21/22 |
1587.0 |
1802.3 |
1966.1 |
2239.2 |
2517.2 |
2775.4 |
3162.6 |
3664.0 |
4244.9 | |
|
23/24 |
1614.2 |
1850.4 |
1999.7 |
2277.5 |
2560.2 |
2822.8 |
3216.7 |
3726.7 |
4282.4 | |
|
25/26 |
1614.2 |
1850.4 |
1999.7 |
2277.5 |
2560.2 |
2822.8 |
3216.7 |
3726.7 |
4282.4 | |
|
27/28 |
1587.0 |
1819.3 |
1966.1 |
2239.2 |
2517.2 |
2775.4 |
3126.6 |
3664.0 |
4244.9 | |
|
29/30 |
1587.0 |
1819.3 |
1966.1 |
2239.2 |
2517.2 |
2775.4 |
3126.6 |
3664.0 |
4244.9 | |