您好,欢迎进入格鲁夫机械设备制造有限公司官网!
减速机|丝杆升降机|减速电机|行业专用减速机|减速机配件|减速机厂|丝杆升降机厂|转向器厂

联系我们

邮箱:china@gelufu.com
电话:0312-6784766
在线咨询

行星齿轮减速机

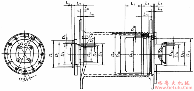
HJN型星轮卷扬减速机的安装尺寸

发布日期:2023-12-28 19:30 浏览次数:

HJN型星轮卷扬减速机的安装尺寸(图1) fax:0312-6784733

HJN型星轮卷扬减速器的安装尺寸

手机:13331225020

HJN型星轮卷扬减速机的安装尺寸(图2)

微信:grove_company

型号
D1
D2
D3
D4
D5
D6
D7
D8
D9
D10
D11
D12
HJN04
HJN06
HJN08
HJN12
HJN14
HJN22
HJN40
HJN65
HJN80
175
175
220
220
220
260
290
290
330
157
157
198
198
198
230
260
260
295
140
140
175
175
175
200
225
225
260
4×ф9
6×ф12
6×ф12
6×ф12
6×ф12
6×ф14
6×ф18
6×ф18
8×ф18
90
90
115
115
115
140
150
150
180
12×ф14
12×ф14
12×ф18
12×ф18
12×ф18
12×2ф2
12×ф22
12×ф22
12×ф22
115
115
145
145
145
170
190
190
220
139
139
174
174
174
199
224
224
258
238
270
285
330
340
393
440
495
530
220
250
265
305
315
368
405
460
500
200
225
245
280
285
335
370
425
464
12×ф12
12×ф14
12×ф14
26×ф16
12×ф18
16×ф18
16×ф22
24×ф22
24×ф22
传动比100~250
HJN80
HJN100
330
330
295
295
260
260
8×ф18
8×ф18
180
180
12×ф22
12×ф22
220
220
258
258
530
567
500
530
464
490
24×ф22
24×ф26   
型号
D13
D14
D15
D16
D17
D18
D19
L1
L2
L3
L4
L5
L6
L7
L8
L9
重量
/kg
HJN04
HJN06
HJN08
HJN12
HJN14
HJN22
HJN40
HJN65
HJN80
4×M10
4×M12
4×M12
4×M12
4×M12
4×M16
4×M16
4×M16
4×M20
125
160
160
180
180
200
224
224
250
149
192
192
212
212
240
264
264
300
190
215
235
260
270
320
360
380
410
210
240
260
290
300
360
405
430
460
12×M10
12×M12
12×M12
12×M16
12×M16
12×M20
12×M24
12×M24
16×M24
228
262
280
320
330
393
442
470
500
83
103
105
113
136
170
170
192
197
70
75
86
99
100
113
115
120
130
5
5
5
6
6
6
7
10
12
14
15
18
23
23
23
25
30
30
43
45
53
59
58
70
68
72
82
8
10
12
15
15
15
18
18
20
53
60
66
76
76
77
91
91
102
12.5
13
15
20
20
20
25
25
25
8
9
9
10
10
10
16
16
17
传动比100~250
HJN80
HJN100
4×M20
4×M20
250
250
300
300
410
450
460
500
16×M24
18×24
500
540
272
292
130
140
12
13
30
33
82
85
20
20
102
102
25
25
17
17

Copyright © 2023-2025 格鲁夫 版权所有 备案号:冀ICP备19023093号-2

电子营业执照图标 电子营业执照
选择语言
Hello,欢迎来咨询~