格鲁夫机械
www.gelufu.com
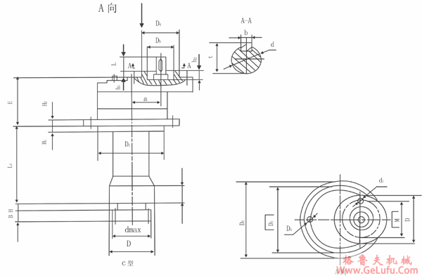
XX型回转行星齿轮减速机外形尺寸 传真:0312-6784733
手机:13331225020
|
型号 |
输入速度(r/min) |
输出扭矩(N・m) |
主要安装尺寸 | ||||||||||||
|
T额 |
T最大 |
Dt(h7) |
D2 |
D3 |
D4(h7) |
D5(H7) |
D6 |
H |
H1 |
H2 |
D7(H7) |
H3 |
L3 | ||
|
xx-25 |
1500 |
2500 |
3750 |
220 |
280 |
250 |
85 |
70 |
12¿14 |
5 |
15 |
20 |
170 |
55 |
200 |
|
xx-40 |
1500 |
4000 |
6000 |
260 |
320 |
290 |
85 |
70 |
24¿14 |
5 |
15 |
25 |
176 |
66 |
230 |
|
xx-63 |
1500 |
6300 |
9450 |
260 |
320 |
290 |
85 |
70 |
24¿14 |
5 |
15 |
25 |
200 |
70 |
230 |
|
xx-80 |
1500 |
8000 |
12000 |
295 |
370 |
340 |
85 |
70 |
24¿18 |
12 |
20 |
30 |
220 |
70 |
315 |
|
xx-100 |
1500 |
1000 |
15000 |
330 |
420 |
380 |
|
170 |
24¿18 |
12 |
40 |
30 |
260 |
60 |
315 |
|
xx-160 |
1500 |
16000 |
24000 |
415 |
500 |
465 |
|
180 |
24¿18 |
25 |
20 |
30 |
280 |
100 |
550 |
|
xx-250 |
1500 |
25000 |
37500 |
415 |
500 |
|
|
200 |
24¿22 |
5 |
20 |
35 |
330 |
100 |
600 |
微信:grove_company
|
型号 |
输出尺寸 |
外廓尺寸 |
输入轴端尺寸 | ||||||||||
|
Dmax |
B |
E |
a |
d |
b |
t |
h1 |
h2 |
L |
M |
d1 |
D | |
|
xx-25 |
120 |
90 |
204 |
82 |
20h6 |
6 |
22.5 |
4 |
10 |
41 |
160 |
6-M12 |
205 |
|
xx-40 |
150 |
80 |
232 |
102 |
25h6 |
8 |
28 |
4 |
10 |
40 |
160 |
6-M12 |
196 |
|
xx-63 |
150 |
85 |
220 |
102 |
25js6 |
8 |
28 |
5 |
10 |
47 |
160 |
6-M12 |
215 |
|
xx-80 |
168 |
85 |
290 |
102 |
25js6 |
8 |
28 |
5 |
10 |
47 |
160 |
6-M12 |
200 |
|
xx-100 |
184 |
90 |
347 |
124 |
30k6 |
8 |
33 |
|
10 |
40 |
245 |
6-M12 |
316 |
|
xx-160 |
210 |
110 |
364 |
155 |
42k6 |
12 |
45 |
|
15 |
47 |
260 |
|
|
|
xx-250 |
260 |
140 |
364 |
155 |
55k6 |
16 |
59 |
|
15 |
65 |
280 |
|
|
邮箱:china@gelufu.com