您好,欢迎进入格鲁夫机械设备制造有限公司官网!
减速机|丝杆升降机|减速电机|行业专用减速机|减速机配件|减速机厂|丝杆升降机厂|转向器厂

联系我们

邮箱:china@gelufu.com
电话:0312-6784766
在线咨询

行星齿轮减速机

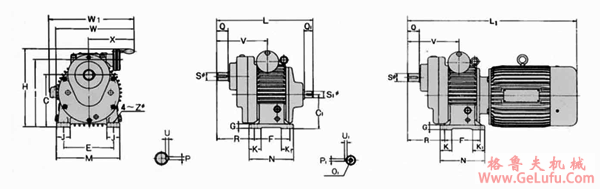
D002A(4M)、D004A(4M)、D007A(4M)、D015A(4M)、D022A(4M)、D037A(4M)、D055A(4M)、D075A(4M)、卧式付R型减速机

发布日期:2023-12-28 19:30 浏览次数:

D002A(4M)、D004A(4M)、D007A(4M)、D015A(4M)、D022A(4M)、D037A(4M)、D055A(4M)、D075A(4M)、卧式付R型减速机(图1) QQ:20275456

D002A~D075A(4M)卧式付R型减速机 邮箱:china@gelufu.com

D002A(4M)、D004A(4M)、D007A(4M)、D015A(4M)、D022A(4M)、D037A(4M)、D055A(4M)、D075A(4M)、卧式付R型减速机(图2) gelufu.com.cn

TYPE
C
C1
E
F
G
H
I
J
L
L1
M
N
O1
P
P1
Q
Q1
R
S
(h7)
S1
(h6)
U
U1
V
W
W1
X
Z
D002A(4M)
R2.5
R5
116
71
110
105
12
190
150
25
240
395
140
125
M6
5
5
30
30
87
20
14
5
5
138
195
210
125
9
D004A(4M)
R2.5
R5
135
90
120
105
15
220
180
32
250
427
160
135
M6
5
5
30
30
84
20
14
5
5
134
240
290
150
10
D007A(4M)
R2.5
R5
160
106
160
125
15
260
210
38
282
455
195
160
M6
7
6
35
40
104
25
19
7
6
158
270
310
170
12
D015A(4M)
R2.5
R5
190
125
180
140
18
315
250
48
346
582
235
175
M6
7
8
45
50
123
30
24
7
7
180
313
345
190
12
D022A(4M)
R2.5
R5
224
150
245
230
20
380
298
53
308
623
294
270
M8
10
8
60
60
123
40
28
8
7
225
370
390
220
14
D037A(4M)
R2.5
R5
224
150
245
230
20
380
298
53
308
679
294
270
M8
10
8
60
60
123
40
28
8
7
225
370
390
220
14
D055A(4M)
R2.5
R5
318
200
315
250
30
475
390
70
615
833
365
290
M10
12
10
80
70
239
50
32
10
8
347
430
465
250
18
D075A(4M)
R2.5
R5
318
200
315
250
30
475
390
70
615
868
365
290
M10
12
10
80
70
239
50
32
10
8
347
430
465
250
18
选购注意事项
1、选购时请注明左把手或右把手,其情况如下图:
2、立式标准型使用分为立式横向与立式立用;立式立用又分为出力轴向上或向下,选购时请注明。
3、卧式标准型,用于特殊情形(立用):如出力轴向上或向下,选购时请注明。

Copyright © 2023-2025 格鲁夫 版权所有 备案号:冀ICP备19023093号-2

电子营业执照图标 电子营业执照
选择语言
Hello,欢迎来咨询~