格鲁夫齿轮箱

|
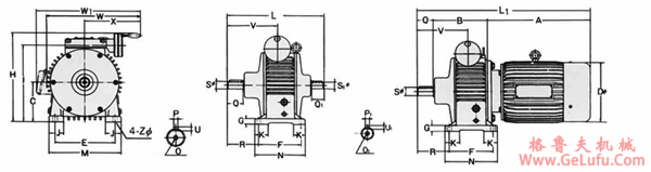
TYPE |
A |
B |
C |
D |
E |
F |
G |
H |
I |
J |
L |
L1 |
M |
N |
O |
O1 |
P |
P1 |
Q |
Q1 |
R |
S
(h6) |
S1
(h6) |
U |
U1 |
V |
W |
W1 |
X |
Z |
|
D002A(4M) |
225 |
100 |
71 |
144 |
110 |
105 |
12 |
190 |
150 |
25 |
204 |
355 |
140 |
125 |
M6 |
M6 |
5 |
5 |
30 |
30 |
48 |
14 |
14 |
5 |
5 |
100 |
195 |
210 |
125 |
9 |
|
D004A(4M) |
248 |
123 |
90 |
162 |
120 |
105 |
15 |
220 |
180 |
32 |
230 |
402 |
160 |
135 |
M6 |
M6 |
5 |
5 |
30 |
30 |
60 |
14 |
14 |
5 |
5 |
110 |
240 |
290 |
150 |
10 |
|
D007A(4M) |
242 |
140 |
106 |
177 |
160 |
125 |
15 |
260 |
210 |
38 |
270 |
425 |
195 |
160 |
M6 |
M6 |
6 |
6 |
40 |
40 |
73 |
20 |
20 |
6 |
6 |
130 |
270 |
310 |
170 |
12 |
|
D015A(4M) |
323 |
175 |
125 |
200 |
180 |
140 |
18 |
315 |
250 |
48 |
335 |
560 |
235 |
175 |
M6 |
M6 |
8 |
8 |
50 |
50 |
95 |
25 |
24 |
7 |
7 |
160 |
313 |
345 |
190 |
12 |
|
D022A(4M) |
315 |
208 |
150 |
219 |
245 |
230 |
20 |
380 |
298 |
53 |
400 |
585 |
295 |
270 |
M8 |
M8 |
8 |
8 |
60 |
60 |
85 |
30 |
28 |
7 |
7 |
190 |
370 |
390 |
220 |
14 |
|
D037A(4M) |
371 |
208 |
150 |
238 |
245 |
230 |
20 |
380 |
298 |
53 |
400 |
641 |
295 |
270 |
M8 |
M8 |
8 |
8 |
60 |
60 |
85 |
30 |
28 |
7 |
7 |
190 |
370 |
390 |
220 |
14 |
|
D055A(4M) |
374 |
249 |
200 |
273 |
315 |
250 |
30 |
475 |
390 |
70 |
470 |
695 |
365 |
290 |
M10 |
M10 |
10 |
10 |
70 |
70 |
103 |
35 |
32 |
8 |
8 |
211 |
430 |
465 |
250 |
18 |
|
D075A(4M) |
412 |
249 |
200 |
273 |
315 |
250 |
30 |
475 |
390 |
70 |
470 |
733 |
365 |
290 |
M10 |
M10 |
10 |
10 |
70 |
70 |
103 |
35 |
32 |
8 |
8 |
211 |
430 |
465 |
250 |
18 |