微信:grove_company

|
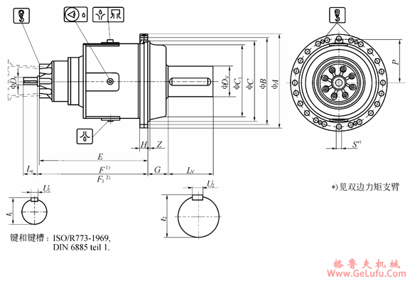
规格 |
尺寸(mm) |
重量 |
油量 | |||||||||||||||||||
|
A |
B |
C |
C1 |
E |
F |
F1 |
G |
H |
P |
S |
Z |
De |
Le |
Dv |
Lv |
u1 |
t1 |
u2 |
t2 |
kg |
l | |
|
011 |
450 |
410 |
370f8 |
340 |
619 |
630 |
665 |
78 |
38 |
205 |
22 |
8 |
32k6 |
58 |
140m6 |
220 |
10h9 |
35 |
36h9 |
148 |
340 |
18 |
|
021 |
500 |
460 |
410f8 |
373 |
654 |
665 |
700 |
85 |
44 |
230 |
22 |
8 |
32k6 |
58 |
150m6 |
220 |
10h9 |
35 |
36h9 |
158 |
460 |
23 |
|
031 |
560 |
510 |
460f8 |
408 |
684 |
695 |
730 |
90 |
46 |
260 |
26 |
8 |
32k6 |
58 |
165m6 |
250 |
10h9 |
35 |
40h9 |
174 |
600 |
30 |
|
041 |
620 |
560 |
480f8 |
453 |
754 |
765 |
800 |
130 |
60 |
280 |
33 |
8 |
32k6 |
58 |
190m6 |
300 |
10h9 |
35 |
45h9 |
200 |
830 |
40 |
|
051 |
650 |
590 |
530f8 |
490 |
774 |
785 |
820 |
140 |
60 |
300 |
33 |
8 |
32k6 |
58 |
210m6 |
350 |
10h9 |
35 |
50h9 |
221 |
960 |
45 |
|
061 |
760 |
690 |
610f8 |
574 |
824 |
835 |
870 |
140 |
70 |
340 |
39 |
8 |
32k6 |
58 |
240m6 |
400 |
10h9 |
35 |
56h9 |
252 |
1450 |
70 |
|
071 |
840 |
770 |
690f8 |
633 |
954 |
1015 |
1050 |
145 |
80 |
385 |
39 |
12 |
70m6 |
140 |
260m6 |
400 |
20h9 |
74.5 |
56h9 |
272 |
2000 |
90 |
|
081 |
920 |
840 |
750f8 |
685 |
1009 |
1070 |
1105 |
160 |
80 |
420 |
45 |
12 |
70m6 |
140 |
290m6 |
450 |
20h9 |
74.5 |
63h9 |
302 |
2600 |
125 |
|
091 |
950 |
870 |
800f8 |
710 |
1059 |
1120 |
1155 |
190 |
80 |
440 |
45 |
12 |
70m6 |
140 |
310m6 |
450 |
20h9 |
74.5 |
70h9 |
321 |
3000 |
140 |
|
101 |
1050 |
960 |
850f8 |
781 |
1159 |
1240 |
1280 |
195 |
90 |
480 |
45 |
12 |
90m6 |
160 |
340m6 |
550 |
25h9 |
95 |
80h9 |
355 |
4030 |
180 |
|
111 |
1100 |
1010 |
900f8 |
827 |
1209 |
1290 |
1330 |
210 |
90 |
510 |
45 |
12 |
90m6 |
160 |
360m6 |
600 |
25h9 |
95 |
80h9 |
375 |
4730 |
210 |
|
121 |
1150 |
1070 |
970f8 |
903 |
1259 |
1340 |
1380 |
220 |
90 |
540 |
45 |
16 |
90m6 |
160 |
380m6 |
650 |
25h9 |
95 |
80h9 |
395 |
5630 |
255 |
|
131 |
1210 |
1120 |
1010f8 |
937 |
1304 |
1315 |
1355 |
220 |
100 |
560 |
45 |
16 |
90m6 |
160 |
420m6 |
650 |
25h9 |
95 |
90h9 |
437 |
6290 |
300 |
|
141 |
1340 |
1250 |
1150f8 |
965 |
1394 |
1405 |
1445 |
230 |
100 |
580 |
45 |
16 |
90m6 |
160 |
430m6 |
700 |
25h9 |
95 |
90h9 |
447 |
7090 |
320 |
|
151 |
1410 |
1320 |
1200f8 |
1019 |
1421 |
1432 |
1472 |
235 |
100 |
600 |
45 |
16 |
90m6 |
160 |
450m6 |
750 |
25h9 |
95 |
100h9 |
469 |
8290 |
380 |
|
规格 |
n1 |
011 |
021 |
031 |
041 |
051 |
061 |
071 |
081 |
091 |
101 |
111 |
121 |
131 |
141 |
151 |
|
无冷却 |
1800 |
32 |
33 |
39 |
47 |
54 |
66 |
86 |
100 |
114 |
135 |
149 |
168 |
183 |
207 |
221 |
|
1500 |
33 |
35 |
41 |
50 |
57 |
69 |
91 |
105 |
120 |
141 |
156 |
176 |
191 |
217 |
232 | |
|
1200 |
36 |
37 |
44 |
53 |
61 |
74 |
97 |
112 |
128 |
151 |
168 |
189 |
206 |
233 |
249 | |
|
1000 |
40 |
42 |
49 |
59 |
67 |
83 |
108 |
125 |
143 |
168 |
186 |
210 |
229 |
259 |
276 | |
|
带风扇冷却 |
1800 |
63 |
66 |
78 |
95 |
108 |
132 |
173 |
200 |
228 |
269 |
298 |
336 |
366 |
414 |
442 |
|
1500 |
67 |
70 |
82 |
99 |
113 |
139 |
182 |
210 |
240 |
283 |
313 |
353 |
384 |
434 |
465 | |
|
1200 |
71 |
75 |
88 |
106 |
121 |
149 |
194 |
225 |
257 |
303 |
335 |
378 |
412 |
465 |
498 | |
|
1000 |
79 |
83 |
98 |
118 |
135 |
165 |
216 |
250 |
285 |
337 |
372 |
420 |
457 |
517 |
553 |