mail:china@gelufu.com

|
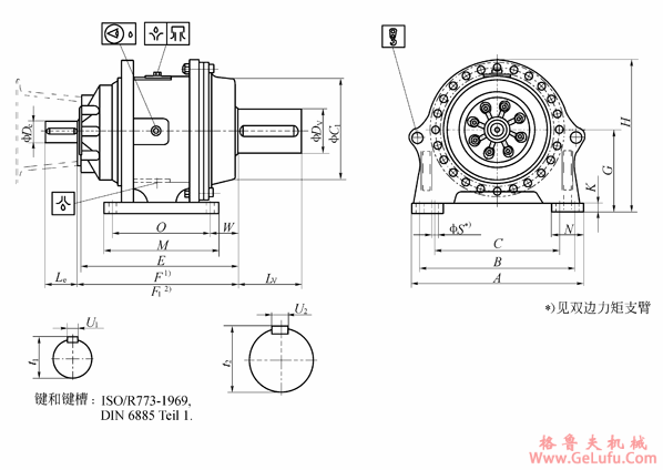
规格 |
尺寸(mm) |
重量 |
油量 | ||||||||||||||||||||||
|
A |
B |
C |
C1 |
E |
F |
F1 |
G |
H |
K |
M |
N |
O |
S |
W |
De |
Le |
Dv |
Lv |
u1 |
t1 |
u2 |
t2 |
kg |
l | |
|
011 |
560 |
510 |
410 |
340 |
587 |
598 |
633 |
282.5 |
525 |
30 |
380 |
100 |
300 |
22 |
84.5 |
32k6 |
58 |
140m6 |
220 |
10h9 |
35 |
36h9 |
148 |
400 |
14 |
|
021 |
630 |
580 |
480 |
373 |
629 |
640 |
675 |
312.5 |
580 |
35 |
430 |
100 |
330 |
22 |
88 |
32k6 |
58 |
150m6 |
220 |
10h9 |
35 |
36h9 |
158 |
550 |
19 |
|
031 |
700 |
640 |
540 |
408 |
664 |
675 |
710 |
342.5 |
640 |
35 |
460 |
110 |
400 |
26 |
99 |
32k6 |
58 |
165m6 |
250 |
10h9 |
35 |
40h9 |
174 |
730 |
25 |
|
041 |
780 |
700 |
570 |
435 |
804 |
845 |
880 |
377.5 |
705 |
40 |
520 |
140 |
440 |
33 |
134 |
70m6 |
140 |
190m6 |
300 |
20h9 |
74.5 |
45h9 |
200 |
1050 |
35 |
|
051 |
820 |
730 |
580 |
490 |
834 |
875 |
910 |
393 |
745 |
40 |
550 |
160 |
460 |
39 |
143 |
70m6 |
140 |
210m6 |
350 |
20h9 |
74.5 |
50h9 |
221 |
1210 |
40 |
|
061 |
950 |
860 |
710 |
574 |
864 |
925 |
960 |
480 |
885 |
60 |
600 |
160 |
510 |
39 |
147 |
70m6 |
140 |
240m6 |
400 |
20h9 |
74.5 |
56h9 |
252 |
1840 |
65 |
|
071 |
1050 |
950 |
770 |
633 |
944 |
1025 |
1065 |
520 |
965 |
60 |
650 |
190 |
550 |
45 |
160 |
90m6 |
160 |
260m6 |
400 |
25h9 |
95 |
56h9 |
272 |
2500 |
80 |
|
081 |
1150 |
1050 |
870 |
685 |
1014 |
1095 |
1135 |
570 |
1055 |
70 |
720 |
190 |
620 |
45 |
168 |
90m6 |
160 |
290m6 |
450 |
25h9 |
95 |
63h9 |
302 |
3225 |
115 |
|
091 |
1200 |
1080 |
880 |
710 |
1097 |
1175 |
1215 |
585 |
1085 |
70 |
800 |
220 |
680 |
52 |
194 |
90m6 |
160 |
310m6 |
450 |
25h9 |
95 |
70h9 |
321 |
3710 |
130 |
|
101 |
1300 |
1180 |
980 |
781 |
1224 |
1305 |
1345 |
645 |
1195 |
80 |
830 |
220 |
710 |
52 |
200.5 |
120m6 |
200 |
340m6 |
550 |
32h9 |
127 |
80h9 |
355 |
3900 |
180 |
|
111 |
1380 |
1240 |
1000 |
827 |
1289 |
1370 |
1410 |
680 |
1255 |
80 |
890 |
260 |
750 |
60 |
219.5 |
120m6 |
200 |
360m6 |
600 |
32h9 |
127 |
80h9 |
375 |
5750 |
210 |
|
121 |
1430 |
1290 |
1050 |
903 |
1349 |
1430 |
1470 |
715 |
1315 |
90 |
950 |
260 |
810 |
60 |
226 |
120m6 |
200 |
380m6 |
650 |
32h9 |
127 |
80h9 |
395 |
6740 |
255 |
|
131 |
1500 |
1340 |
1070 |
937 |
1431 |
1515 |
1565 |
755 |
1395 |
90 |
1020 |
290 |
860 |
70 |
221 |
140m6 |
220 |
420m6 |
650 |
36h9 |
148 |
90h9 |
437 |
7680 |
300 |
|
141 |
1620 |
1460 |
1190 |
965 |
1481 |
1565 |
1615 |
830 |
1535 |
100 |
1050 |
290 |
890 |
70 |
235.5 |
140m6 |
220 |
430m6 |
700 |
36h9 |
148 |
90h9 |
447 |
8540 |
320 |
|
151 |
1690 |
1500 |
1200 |
1019 |
1511 |
1595 |
1645 |
865 |
1605 |
100 |
1150 |
340 |
960 |
78 |
218 |
140m6 |
220 |
450m6 |
750 |
36h9 |
148 |
100h9 |
469 |
9960 |
380 |
|
规格 |
n1 |
011 |
021 |
031 |
041 |
051 |
061 |
071 |
081 |
091 |
101 |
111 |
121 |
131 |
141 |
151 |
|
无冷却 |
1800 |
34 |
40 |
47 |
60 |
68 |
82 |
106 |
123 |
140 |
168 |
186 |
208 |
230 |
259 |
276 |
|
1500 |
36 |
42 |
49 |
63 |
71 |
86 |
112 |
129 |
147 |
177 |
195 |
219 |
242 |
272 |
290 | |
|
1200 |
38 |
45 |
53 |
67 |
76 |
93 |
120 |
138 |
157 |
190 |
209 |
234 |
259 |
291 |
311 | |
|
1000 |
42 |
50 |
59 |
75 |
85 |
103 |
133 |
153 |
175 |
211 |
232 |
261 |
288 |
324 |
345 | |
|
带风扇冷却 |
1800 |
68 |
79 |
94 |
120 |
136 |
165 |
213 |
245 |
279 |
337 |
371 |
417 |
461 |
518 |
552 |
|
1500 |
71 |
83 |
99 |
126 |
142 |
173 |
223 |
258 |
293 |
354 |
390 |
438 |
484 |
544 |
580 | |
|
1200 |
76 |
89 |
106 |
135 |
153 |
185 |
239 |
276 |
314 |
379 |
418 |
469 |
518 |
583 |
621 | |
|
1000 |
85 |
99 |
117 |
150 |
170 |
206 |
266 |
307 |
349 |
421 |
464 |
521 |
576 |
647 |
690 |