QQ:47447450
TP系列行星齿轮减速机安装尺寸(型号:TP2NAZ)9 WX:grove_company
|
轴端螺纹孔mm | |||||||||||
|
轴径Фd |
≥16-21 |
>21-24 |
>24-30 |
>30-38 |
>38-50 |
>50-85 |
>85-130 |
>130-225 |
>225-320 |
>320-500 |
>500-700 |
|
螺孔尺寸 |
M6 |
M8 |
M10 |
M12 |
M16 |
M20 |
M24 |
M30 |
M36 |
M42 |
M48 |
QQ:47447450
|
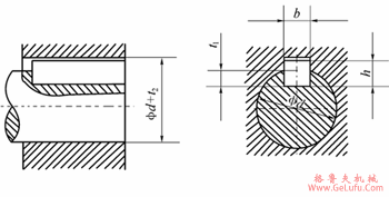
平键和键槽 mm | |||||
![]() |
直径
d |
宽度
b |
高度
h |
轴键槽深度
t1 |
轮毂键槽深度
d+t2 |
|
>8-10 |
3 |
3 |
1.8 |
d+1.4 | |
|
>10-12 |
4 |
4 |
2.5 |
d+1.8 | |
|
>12-17 |
5 |
5 |
3 |
d+2.3 | |
|
>17-22 |
6 |
6 |
3.5 |
d+2.8 | |
|
>22-30 |
8 |
7 |
4 |
d+3.3 | |
|
>30-38 |
10 |
8 |
5 |
d+3.3 | |
|
>38-44 |
12 |
8 |
5 |
d+3.3 | |
|
>44-50 |
14 |
9 |
5.5 |
d+3.8 | |
|
>50-58 |
16 |
10 |
6 |
d+4.3 | |
|
>58-65 |
18 |
11 |
7 |
d+4.4 | |
|
>65-75 |
20 |
12 |
7.5 |
d+4.9 | |
|
>75-85 |
22 |
14 |
9 |
d+5.4 | |
|
>85-95 |
25 |
14 |
9 |
d+5.4 | |
|
>95-110 |
28 |
16 |
10 |
d+6.4 | |
|
>110-130 |
32 |
18 |
11 |
d+7.4 | |
|
>130-150 |
36 |
20 |
12 |
d+8.4 | |
|
>150-170 |
40 |
22 |
13 |
d+9.4 | |
|
>170-200 |
45 |
25 |
15 |
d+10.4 | |
|
>200-230 |
50 |
28 |
17 |
d+11.4 | |
|
>230-260 |
56 |
32 |
20 |
d+12.4 | |
|
>260-290 |
63 |
32 |
20 |
d+12.4 | |
|
>290-330 |
70 |
36 |
22 |
d+14.4 | |
|
>330-380 |
80 |
40 |
25 |
d+15.4 | |
|
>380-440 |
90 |
45 |
28 |
d+17.4 | |
|
>440-500 |
100 |
50 |
31 |
d+19.4 | |
gelufu