邮箱:china@gelufu.com
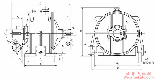
SPA系列双排直齿行星减速机外形及其安装尺寸
Mobile:13331225020
|
规格
代号 |
SPA
型 |
公称传
动比i |
外形及中心高 |
轴伸 |
地脚尺寸 |
质量(kg) |
输出转矩T(N・m) | |||||||||||||||||
|
L |
B |
H |
h |
R |
d |
D |
l1 |
l2 |
t1 |
b1 |
t2 |
b2 |
L1 |
L2 |
L3 |
L0 |
B1 |
n×d1 |
h1 | |||||
|
1 |
630 |
4~9 |
1899 |
1140 |
1130 |
500 |
490 |
170 |
220 |
240 |
280 |
179 |
40 |
231 |
50 |
890 |
750 |
70 |
117 |
1000 |
4×M56 |
75 |
1850 |
≤100000 |
|
2 |
710 |
4~9 |
2135 |
1270 |
1260 |
560 |
550 |
200 |
250 |
280 |
330 |
210 |
45 |
262 |
56 |
960 |
820 |
70 |
145 |
1130 |
4×M56 |
75 |
3000 |
≤150000 |
|
3 |
800 |
4~9 |
2305 |
1440 |
1410 |
630 |
620 |
220 |
280 |
280 |
380 |
231 |
50 |
292 |
63 |
1040 |
880 |
80 |
160 |
1280 |
4×M64 |
85 |
3800 |
≤200000 |
|
4 |
900 |
4~9 |
2528 |
1590 |
1550 |
710 |
700 |
250 |
320 |
330 |
380 |
262 |
56 |
334 |
70 |
1150 |
980 |
85 |
170 |
1420 |
4×M72 |
100 |
5000 |
≤250000 |
|
5 |
1000 |
4~9 |
2919 |
1780 |
1730 |
800 |
790 |
280 |
340 |
380 |
450 |
292 |
63 |
355 |
80 |
1350 |
1170 |
90 |
180 |
1600 |
4×M80 |
110 |
7100 |
≤380000 |
|
6 |
1120 |
4~9 |
3180 |
1960 |
1910 |
900 |
890 |
320 |
400 |
380 |
540 |
334 |
70 |
417 |
90 |
1450 |
1270 |
90 |
190 |
1780 |
4×M80 |
125 |
11000 |
≤550000 |
|
7 |
1250 |
4~9 |
3427 |
2090 |
2110 |
1000 |
990 |
340 |
420 |
450 |
540 |
355 |
80 |
437 |
90 |
1570 |
1380 |
95 |
200 |
1900 |
4×M90 |
135 |
14000 |
≤740000 |
|
8 |
1400 |
4~9 |
3642 |
2420 |
2350 |
1120 |
1110 |
360 |
450 |
450 |
540 |
375 |
80 |
469 |
100 |
1850 |
1650 |
100 |
212 |
2220 |
4×M90 |
135 |
16000 |
≤850000 |
|
9 |
1600 |
4~9 |
3928 |
2760 |
2670 |
1250 |
1240 |
400 |
480 |
540 |
540 |
417 |
90 |
499 |
100 |
2200 |
1980 |
110 |
270 |
2540 |
4×M100 |
150 |
19000 |
≤1000000 |
格鲁夫机械