微信:grove_company
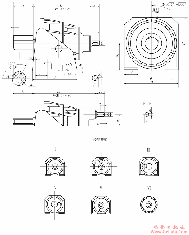
PBF型减速器主要尺寸 fax:0312-6784733
gelufu.com.cn
|
型号 |
外形尺寸及中心高 |
入轴尺寸 | ||||||||||||||||
|
i=10~20 |
i=22.5~28 |
i=31.5~50 | ||||||||||||||||
|
L |
LP |
B |
H |
H0 |
a |
d1 |
t1 |
b1 |
l1 |
d1 |
t1 |
b1 |
l1 |
d1 |
t1 |
b1 |
l1 | |
|
PBF56 |
1050 |
1074 |
1020 |
950 |
480 |
180 |
125 |
132 |
32 |
200 |
95 |
100 |
25 |
155 |
85 |
90 |
22 |
155 |
|
PBF80 |
1500 |
1500 |
1400 |
1310 |
660 |
250 |
170 |
179 |
40 |
270 |
125 |
132 |
32 |
200 |
120 |
127 |
32 |
200 |
|
PBF100 |
1810 |
1795 |
1750 |
1615 |
815 |
320 |
210 |
221 |
50 |
335 |
160 |
169 |
40 |
260 |
150 |
158 |
36 |
250 |
|
PBF125 |
2265 |
2265 |
2170 |
2015 |
1015 |
400 |
270 |
280 |
63 |
435 |
200 |
210 |
45 |
320 |
180 |
190 |
45 |
300 |
|
型号 |
入轴尺寸 |
出轴尺寸 |
地脚尺寸 |
质量
m
/kg | ||||||||||||||
|
i=63~80 | ||||||||||||||||||
|
d1 |
t1 |
b1 |
l1 |
d2 |
t2 |
b2 |
l2 |
LD |
L1 |
L2 |
L3 |
B1 |
h |
C |
n |
d3 | ||
|
PBF56 |
60 |
64 |
18 |
100 |
200 |
20 |
60 |
340 |
60 |
690 |
230 |
170 |
880 |
50 |
300 |
6 |
39 |
2318 |
|
PBF80 |
78 |
83 |
22 |
125 |
270 |
27 |
81 |
430 |
70 |
915 |
320 |
205 |
1200 |
65 |
410 |
6 |
45 |
5819 |
|
PBF100 |
100 |
106 |
28 |
160 |
320 |
32 |
96 |
510 |
85 |
1110 |
400 |
225 |
1520 |
70 |
500 |
6 |
52 |
10031 |
|
PBF125 |
125 |
132 |
32 |
200 |
400 |
40 |
120 |
690 |
100 |
1370 |
500 |
270 |
1900 |
80 |
550 |
6 |
70 |
19385 |