格鲁夫机械
NCD型行星齿轮减速机外形及安装尺寸 Mobile:13331225020
Tel:0312-6784766
|
规格代号 |
型号
规格 |
公称传
动比i |
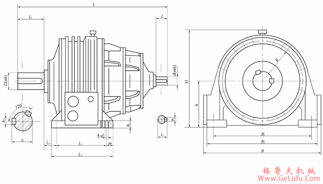
外形及中心高 |
轴伸 |
地脚尺寸 |
质量
(kg) |
润滑油量(L) | ||||||||||||||||||
|
L |
B |
H |
H0 |
R |
d |
D |
l1 |
l2 |
t1 |
b1 |
t2 |
b2 |
L2 |
L0 |
L1 |
m |
h |
B2 |
B1 |
d1 | |||||
|
7 |
NCD
560 |
112~400 |
1500 |
1100 |
990 |
450 |
430 |
50 |
220 |
82 |
280 |
53.5 |
14 |
231 |
50 |
660 |
103 |
500 |
80 |
70 |
1060 |
900 |
65 |
2050 |
180 |
|
8 |
NCD
630 |
112~400 |
1650 |
1260 |
1095 |
500 |
485 |
60 |
240 |
105 |
330 |
64 |
18 |
252 |
56 |
740 |
118 |
560 |
90 |
80 |
1200 |
1040 |
75 |
2540 |
240 |
|
9 |
NCD
710 |
112~400 |
1775 |
1360 |
1215 |
560 |
545 |
65 |
260 |
105 |
330 |
69 |
18 |
272 |
56 |
810 |
130 |
630 |
90 |
80 |
1320 |
1140 |
75 |
4100 |
300 |
|
10 |
NCD
800 |
112~400 |
2090 |
1560 |
1335 |
630 |
625 |
65 |
280 |
105 |
380 |
69 |
18 |
292 |
63 |
870 |
163 |
670 |
100 |
100 |
1500 |
1300 |
80 |
5106 |
450 |
|
11 |
NCD
900 |
112~400 |
2340 |
1750 |
1510 |
710 |
690 |
70 |
340 |
105 |
450 |
74.5 |
20 |
355 |
80 |
940 |
194 |
740 |
100 |
100 |
1680 |
1480 |
80 |
7800 |
620 |
|
12 |
NCD
1000 |
112~400 |
2475 |
1900 |
1680 |
800 |
770 |
75 |
360 |
105 |
450 |
79.5 |
20 |
375 |
80 |
1140 |
160 |
900 |
120 |
120 |
1840 |
1600 |
101 |
10500 |
800 |
|
13 |
NCD
1120 |
112~400 |
2790 |
2120 |
1880 |
900 |
870 |
90 |
400 |
130 |
540 |
95 |
25 |
417 |
90 |
1260 |
207 |
1000 |
130 |
120 |
2060 |
1800 |
101 |
15200 |
1000 |
|
14 |
NCD
1250 |
112~400 |
3140 |
2340 |
2060 |
1000 |
950 |
100 |
450 |
165 |
540 |
106 |
28 |
469 |
100 |
1400 |
225 |
1120 |
140 |
140 |
2280 |
2000 |
110 |
18500 |
1500 |
|
15 |
NCD
1400 |
112~400 |
3560 |
2580 |
2280 |
1120 |
1050 |
110 |
500 |
165 |
540 |
116 |
28 |
519 |
100 |
1500 |
264 |
1200 |
150 |
150 |
2500 |
2200 |
110 |
24000 |
2400 |
|
16 |
NCD
1600 |
112~400 |
4020 |
2970 |
2560 |
1250 |
1200 |
120 |
560 |
165 |
680 |
127 |
32 |
582 |
120 |
1600 |
350 |
1250 |
175 |
180 |
2890 |
2540 |
120 |
31000 |
3000 |
|
17 |
NCD
1800 |
112~400 |
4350 |
3500 |
2860 |
1400 |
1350 |
140 |
600 |
200 |
680 |
148 |
36 |
625 |
140 |
1760 |
398 |
1420 |
180 |
200 |
3220 |
2880 |
140 |
40000 |
3400 |
|
18 |
NCD
2000 |
112~400 |
5225 |
3700 |
3190 |
1600 |
1680 |
150 |
630 |
200 |
680 |
158 |
36 |
655 |
140 |
1960 |
440 |
1580 |
190 |
220 |
3620 |
3260 |
160 |
51000 |
3900 |