www.gelufu.com.cn
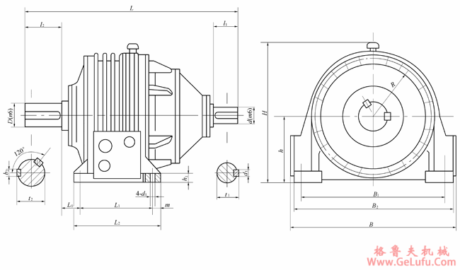
NBD型行星齿轮减速机外形及安装尺寸
传真:0312-6784733
|
规格代号 |
型号规格 |
公称传动 比i |
外形及中心高 |
轴伸 |
地脚尺寸 |
质量(kg) |
润滑油量(L) | ||||||||||||||||||
|
L |
B |
H |
H0 |
R |
d |
D |
l1 |
l2 |
t1 |
b1 |
t2 |
b2 |
L2 |
L0 |
L1 |
m |
h |
B2 |
B1 |
d1 | |||||
|
9 |
NBD
560 |
20~50 |
1360 |
1100 |
990 |
450 |
430 |
80 |
220 |
130 |
280 |
85 |
22 |
231 |
50 |
660 |
103 |
500 |
80 |
70 |
1060 |
900 |
65 |
1850 |
140 |
|
10 |
NBD
630 |
20~50 |
1580 |
1260 |
1095 |
500 |
485 |
90 |
240 |
130 |
330 |
95 |
25 |
252 |
56 |
740 |
118 |
560 |
90 |
80 |
1200 |
1040 |
75 |
2300 |
180 |
|
11 |
NBD
710 |
20~50 |
1685 |
1360 |
1215 |
560 |
545 |
110 |
260 |
165 |
330 |
116 |
28 |
272 |
56 |
810 |
130 |
630 |
90 |
80 |
1320 |
1140 |
75 |
3700 |
240 |
|
12 |
NBD
800 |
20~50 |
1955 |
1560 |
1335 |
630 |
625 |
120 |
280 |
165 |
380 |
127 |
32 |
292 |
63 |
870 |
163 |
670 |
100 |
100 |
1500 |
1300 |
80 |
5000 |
300 |
|
13 |
NBD
900 |
20~50 |
2260 |
1750 |
1510 |
710 |
690 |
130 |
340 |
200 |
450 |
137 |
32 |
365 |
80 |
940 |
194 |
740 |
100 |
100 |
1680 |
1480 |
80 |
5600 |
450 |
|
14 |
NBD
1000 |
20~50 |
2330 |
1900 |
1680 |
800 |
770 |
140 |
360 |
200 |
450 |
148 |
36 |
375 |
80 |
1140 |
166 |
900 |
120 |
120 |
1840 |
1600 |
101 |
8100 |
620 |
|
15 |
NBD
1120 |
20~50 |
2580 |
2120 |
1880 |
900 |
870 |
160 |
400 |
240 |
540 |
169 |
40 |
417 |
90 |
1260 |
207 |
1000 |
130 |
120 |
2060 |
1800 |
101 |
13200 |
800 |
|
16 |
NBD
1250 |
20~50 |
2850 |
2340 |
2060 |
1000 |
950 |
180 |
450 |
240 |
540 |
190 |
45 |
469 |
100 |
1400 |
225 |
1120 |
140 |
140 |
2280 |
2000 |
110 |
17000 |
1000 |
|
17 |
NBD
1400 |
20~50 |
3120 |
2580 |
2280 |
1120 |
1050 |
200 |
500 |
280 |
540 |
210 |
45 |
519 |
100 |
1500 |
264 |
1200 |
150 |
150 |
2500 |
2200 |
110 |
19500 |
1500 |
|
18 |
NBD
1600 |
20~50 |
3580 |
2970 |
2560 |
1250 |
1200 |
220 |
560 |
280 |
680 |
231 |
50 |
582 |
120 |
1600 |
350 |
1250 |
175 |
180 |
2890 |
2540 |
120 |
26400 |
2400 |
|
19 |
NBD
1800 |
20~50 |
4150 |
3300 |
2860 |
1400 |
1350 |
260 |
600 |
330 |
680 |
272 |
56 |
625 |
140 |
1760 |
398 |
1420 |
180 |
200 |
3220 |
2880 |
140 |
37500 |
3000 |
|
20 |
NBD
2000 |
20~50 |
4900 |
3700 |
3190 |
1600 |
1480 |
280 |
630 |
380 |
680 |
292 |
63 |
635 |
140 |
1960 |
440 |
1580 |
190 |
220 |
3620 |
3260 |
160 |
51000 |
3800 |