您好,欢迎进入格鲁夫机械设备制造有限公司官网!
减速机|丝杆升降机|减速电机|行业专用减速机|减速机配件|减速机厂|丝杆升降机厂|转向器厂

联系我们

邮箱:china@gelufu.com
电话:0312-6784766
地址:莲池区焦庄乡 在线咨询

无极变速器

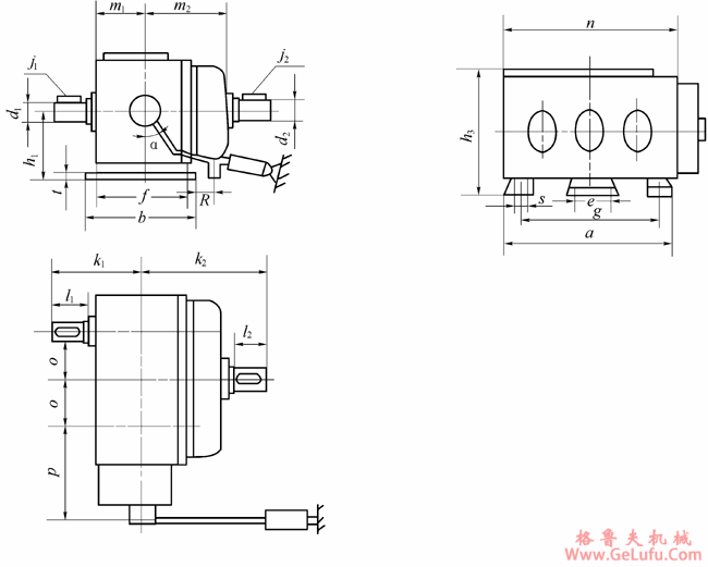
PU系列张力自动调整无级变速机外形安装尺寸

发布日期:2023-12-28 19:49 浏览次数:

PU系列张力自动调整无级变速机外形安装尺寸(图1)

fax:0312-6784733

PU系列张力自动调整无级变速器外形安装尺寸 QQ:20275456

PU系列张力自动调整无级变速机外形安装尺寸(图2)

WX:grove_company

PU系列外形尺寸 (mm)
型号
a
b
d1
d2
e
f
g
h1
h3
j1
j2
PUB2
452
310
28
38
400
270
170
293
8×50
12×70
PUX3Ⅰ
715
280
32
50
655
225
266
180
394.5
10×70
16×100
PUX3Ⅱ
715
280
32
50
655
225
266
180
394.5
10×70
16×100
PUX4
846
345
38
50
791
295
266
217
423
10×70
16×100

型号
k1
k2
l1
l2
m1
m2
n
o
p
R
s
t
a
PUB2
202
330
60
80
130
230
468
95
278
18
18
26°
PUX3Ⅰ
260
572
80
110
160
320
590
124
317
187.5
23
28
37°
PUX3Ⅱ
260
572
80
110
160
320
590
124
317
187.5
23
28
37°
PUX4
279
591.5
80
110
175
740
152
200
23
28
34°
微信:grove_company

Copyright © 2023-2025 格鲁夫 版权所有 备案号:冀ICP备19023093号-2

电子营业执照图标 电子营业执照