您好,欢迎进入格鲁夫机械设备制造有限公司官网!
减速机|丝杆升降机|减速电机|行业专用减速机|减速机配件|减速机厂|丝杆升降机厂|转向器厂

联系我们

邮箱:china@gelufu.com
电话:0312-6784766
在线咨询

无极变速器

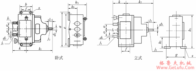
精密调速扩大功率XP型和扩大调速范围PX型无级变速机外形尺寸

发布日期:2023-12-28 19:49 浏览次数:

精密调速扩大功率XP型和扩大调速范围PX型无级变速机外形尺寸(图1)

格鲁夫配件

精密调速扩大功率XP型和扩大调速范围PX型无级变速器外形尺寸

fax:0312-6784733

精密调速扩大功率XP型和扩大调速范围PX型无级变速机外形尺寸(图2)

QQ:47447450

XP型与PX型的外形尺寸 ( mm)
型号
a
b
d1
d2
e
f
h1
h3
h5
g
j1
j2
k
k1
l1
l2
o
s
XP1
450
185
24
32
410
150
132
132
421
250
6×50
10×70
160
374
60
80
80
14
XP2
540
285
28
32
495
200
150
150
505
300
8×50
10×70
180
471
58
80
95
18
XP3
660
300
32
50
615
265
170
330
10×70
14×100
233
546
80
110
124
18
XP5
990
340
44
60
930
280
240
513
12×100
18×125
355
825
114
140
180
26
XP6
1150
510
650
60
1060
410
300
588
18×125
18×125
400
852
140
140
215
36
PX4
810
345
38
60
755
295
200
422
12×70
18×125
157
740
80
140
152
23

Copyright © 2023-2025 格鲁夫 版权所有 备案号:冀ICP备19023093号-2

电子营业执照图标 电子营业执照
选择语言
Hello,欢迎来咨询~