您好,欢迎进入格鲁夫机械设备制造有限公司官网!
减速机|丝杆升降机|减速电机|行业专用减速机|减速机配件|减速机厂|丝杆升降机厂|转向器厂

联系我们

邮箱:china@gelufu.com
电话:0312-6784766
在线咨询

无极变速器

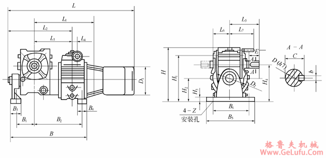
URX系列与蜗轮箱组合型的外形及安装尺寸

发布日期:2023-12-28 19:49 浏览次数:

URX系列与蜗轮箱组合型的外形及安装尺寸(图1)

gelufu.com

URX系列与蜗轮箱组合型的外形及安装尺寸 Mobile:13331225020

URX系列与蜗轮箱组合型的外形及安装尺寸(图2)

www.gelufu.com.cn

URX系列与蜗轮箱组合型的外形及安装尺寸 (mm)
型号
L
L1
L2
L3
L4
L5
L6
L7
E
H
H1
H2
H3
H4
B
B1
B2
B3
B4
B5
B6
D
D1
D2
C
b
Z
重量
/kg
URX0.55-W10
URX0.75-W30
630
280
333
205
26
140
74
106
65
305
234
120
20
200
415
110
255
50
240
200
32
173
210
35
10
14
70
URX1.1-W10
URX1.5-W30
727
325
392
240
31
170
104
142
75
384
291
150
30
250
495
130
305
60
290
240
38
197
254
41
10
18
100

Copyright © 2023-2025 格鲁夫 版权所有 备案号:冀ICP备19023093号-2

电子营业执照图标 电子营业执照
选择语言
Hello,欢迎来咨询~