gelufu.com.cn
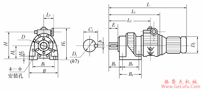
URX系列-B系列组合的外形及安装尺寸 www.gelufu.com.cn
格鲁夫机械
|
型号 |
L |
L1 |
L2 |
L3 |
E |
C1 |
b |
H |
H1 |
H2 |
H3 |
D |
D1 |
D2 |
φ |
B |
B1 |
B2 |
B3 |
B4 |
重量/kg |
|
URX0.2-B10/□ |
550 |
323 |
283 |
92 |
30 |
25 |
8 |
175 |
90 |
12 |
208 |
130 |
22 |
130 |
11 |
180 |
155 |
74 |
80 |
110 |
25 |
|
URX0.4-B12/□ |
619 |
414 |
354 |
106 |
34 |
28 |
8 |
209 |
100 |
15 |
242 |
165 |
25 |
145 |
11 |
210 |
180 |
100 |
90 |
120 |
35 |
|
URX0.55-B15/□
URX0.75-B15/□ |
666 |
444 |
369 |
106 |
58 |
38 |
10 |
234 |
140 |
20 |
267 |
215 |
35 |
173 |
14 |
290 |
250 |
153 |
100 |
150 |
68 |
|
URX1.1-B18/□
URX1.5-B18/□ |
769 |
519 |
434 |
142 |
82 |
48.5 |
14 |
291 |
150 |
22 |
336 |
245 |
45 |
197 |
18 |
330 |
290 |
177 |
145 |
195 |
105 |
|
URX2.2-B22/□ |
917 |
628 |
518 |
168 |
82 |
59 |
16 |
338 |
160 |
25 |
398 |
300 |
55 |
218 |
18 |
410 |
370 |
195 |
150 |
238 |
194 |
|
URX4-B27/□* |
1178 |
827 |
605 |
168 |
105 |
74.5 |
20 |
381 |
200 |
30 |
441 |
360 |
70 |
240 |
22 |
430 |
380 |
140 |
275 |
335 |
276 |
|
URX5.5-B33/□* |
1659 |
1254 |
957 |
251 |
130 |
95 |
25 |
498 |
250 |
35 |
578 |
435 |
90 |
284 |
26 |
530 |
480 |
165 |
380 |
440 |
456 |