Mobile:13331225020
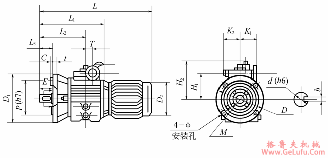
URXV(立式)系列外形及安装尺寸
格鲁夫丝杆升降机
电话:0312-6784766
URXV (立式)系列外形及安装尺寸 (mm)
mail:china@gelufu.com
|
型号 |
L |
L1 |
L2 |
D |
K1 |
K2 |
D2 |
D1 |
P |
M |
L3 |
C |
t |
4―φ |
T |
H1 |
E |
d |
b |
H2 |
质量/kg |
|
URXV0.2 |
375 |
148 |
108 |
136 |
92 |
55 |
130 |
160 |
110 |
130 |
25 |
4 |
10 |
10 |
18 |
85 |
26 |
16 |
5 |
160 |
17 |
|
URXV0.4 |
417 |
212 |
152 |
169 |
106 |
74 |
145 |
200 |
130 |
165 |
35 |
4 |
12 |
12 |
26 |
103 |
35 |
19 |
6 |
183 |
26 |
|
URXV0.55
URXV0.75 |
495 |
273 |
198 |
210 |
106 |
74 |
173 |
250 |
180 |
215 |
50 |
4 |
16 |
15 |
26 |
114 |
50 |
24 |
8 |
194 |
43 |
|
URXV1.1
URXV1.5 |
555 |
305 |
220 |
254 |
142 |
104 |
197 |
300 |
230 |
265 |
55 |
4 |
20 |
15 |
31 |
137 |
55 |
32 |
10 |
245 |
66 |
|
URXV2.2 |
654 |
365 |
255 |
300 |
168 |
123 |
218 |
300 |
230 |
265 |
55 |
4 |
20 |
15 |
39 |
163 |
55 |
32 |
10 |
280 |
123 |
|
URXV4* |
853 |
390 |
280 |
325 |
168 |
123 |
240 |
350 |
250 |
300 |
70 |
5 |
20 |
19 |
39 |
185 |
70 |
42 |
12 |
305 |
170 |
|
URXV5.5* |
1100 |
695 |
398 |
435 |
251 |
143 |
284 |
400 |
300 |
350 |
100 |
8 |
25 |
19 |
60 |
248 |
100 |
55 |
16 |
367 |
290 |