Tel:0312-6784766
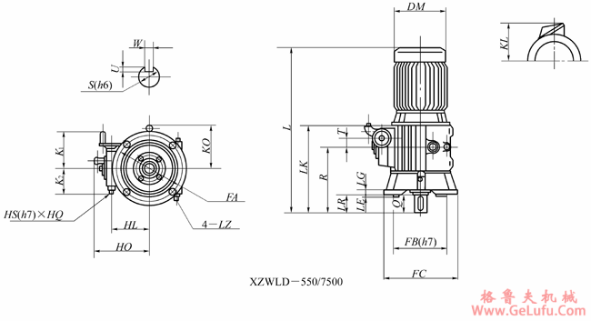
XZWLD系列(立式电动机直联型)外形及安装尺寸 www.gelufu.com.cn
QQ:20275456
|
代号 |
长 |
宽 |
输出端联接尺寸 |
输出轴端尺寸 |
手轮尺寸 |
重量
/kg |
油量
/L | ||||||||||||||||
|
型号 |
L |
LK |
R |
D |
K1 |
K2 |
DM |
KL |
FC |
FB |
FA |
LR |
LE |
LG |
LZ |
Q |
S |
W×U |
T |
HS×HQ |
HL | ||
|
XZWLD-550 |
525 |
234 |
169 |
200 |
110 |
72 |
175 |
150 |
250 |
180 |
215 |
32 |
4 |
16 |
15 |
34 |
24 |
8×4 |
26 |
10×15 |
115 |
38 |
1.0 |
|
XZWLD-750 |
578 |
282 |
201 |
210 |
123 |
86 |
175 |
150 |
250 |
180 |
215 |
38 |
4 |
16 |
15 |
48 |
24 |
8×4 |
27 |
10×15 |
114 |
43 |
1.9 |
|
XZWLD-1500 |
666 |
295 |
218 |
254 |
115 |
117 |
195 |
160 |
300 |
230 |
265 |
54 |
4 |
20 |
15 |
55 |
32 |
10×5 |
40.5 |
12×20 |
147 |
66 |
2.7 |
|
XZWLD-2200 |
748 |
395 |
246 |
300 |
185 |
127 |
215 |
180 |
300 |
230 |
265 |
52 |
4 |
20 |
15 |
55 |
32 |
10×5 |
40.5 |
12×20 |
171 |
123 |
4.8 |
|
XZWLD-3000 |
765 |
340 |
258 |
315 |
185 |
125 |
215 |
180 |
300 |
230 |
265 |
63 |
4 |
20 |
19 |
60 |
35 |
10×5 |
40.5 |
12×20 |
179 |
132 |
5.4 |
|
XZWLD-4000 |
810 |
390 |
283 |
325 |
185 |
127 |
240 |
190 |
350 |
250 |
300 |
68 |
5 |
20 |
19 |
70 |
42 |
12×5 |
40.5 |
12×20 |
185 |
170 |
5.5 |
|
XZWLD-5500 |
1014 |
619 |
360 |
410 |
241 |
162 |
275 |
210 |
400 |
300 |
350 |
94 |
8 |
25 |
19 |
101 |
55 |
16×6 |
60 |
25×32 |
220 |
290 |
8.0 |
|
XZWLD-7500 |
1125 |
670 |
384 |
440 |
238 |
157 |
275 |
210 |
400 |
300 |
350 |
90 |
8 |
25 |
19 |
100 |
55 |
16×6 |
60 |
25×32 |
249 |
311 |
8.8 |