微信:grove_company
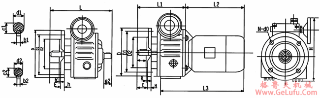
MBL(F)、MBL(F)Y基型法兰式图及安装尺寸 gelufu.com
邮箱:china@gelufu.com
|
机型号 |
安装尺寸 |
轴伸联接尺寸 |
外形尺寸 | ||||||||||||||||||
|
D1 |
D2 |
E |
h |
R |
n |
do |
输出轴 |
输入轴 |
D |
H |
双轴型 |
直联型 | |||||||||
|
d1 |
b1 |
c1 |
e1 |
d2 |
b2 |
c2 |
e2 |
L |
L1 |
L2 |
L3 | ||||||||||
|
02 |
130 |
110h9 |
30 |
12 |
3.5 |
4 |
10 |
14js6 |
5 |
16 |
30 |
14js6 |
5 |
16 |
25 |
160 |
202 |
193 |
129 |
200 |
260 |
|
04 |
165 |
130h9 |
30 |
12 |
3.5 |
4 |
12 |
14js6 |
5 |
16 |
30 |
14js6 |
5 |
16 |
30 |
200 |
228 |
221 |
145 |
235 |
300 |
|
07 |
165 |
130h9 |
40 |
12 |
3.5 |
4 |
12 |
20js6 |
6 |
22.5 |
40 |
19js6 |
6 |
21.5 |
30 |
200 |
257 |
243 |
177 |
245 |
335 |
|
15 |
215 |
180h9 |
50 |
16 |
4 |
4 |
15 |
25js6 |
8 |
28 |
50 |
24js6 |
8 |
27 |
40 |
250 |
287 |
314 |
223 |
285 |
391 |
|
22 |
265 |
230h9 |
60 |
16 |
4 |
4 |
15 |
30js6 |
8 |
33 |
60 |
24js6 |
8 |
27 |
50 |
300 |
343 |
387 |
268 |
320 |
456 |
|
40 |
265 |
230h9 |
60 |
16 |
4 |
4 |
15 |
30js6 |
8 |
33 |
60 |
24js6 |
8 |
27 |
50 |
300 |
343 |
387 |
268 |
340 |
476 |
|
55 |
300 |
250h9 |
70 |
20 |
5 |
6 |
19 |
35js6 |
10 |
38 |
70 |
32js6 |
10 |
35 |
60 |
350 |
466 |
467 |
319 |
395 |
577 |
|
75 |
300 |
250h9 |
70 |
20 |
5 |
6 |
19 |
35js6 |
10 |
38 |
70 |
32js6 |
10 |
35 |
60 |
350 |
466 |
467 |
319 |
435 |
617 |