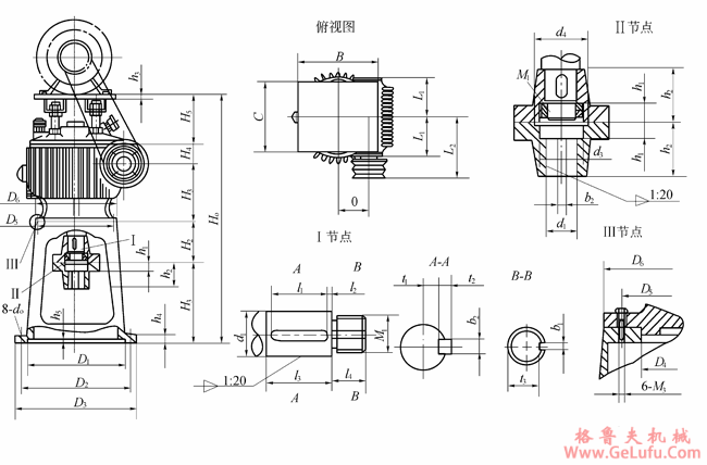
减速机外形尺寸"> QQ:20275456
M型立式蜗杆减速器外形尺寸
gelufu.com
减速机 src="/uploads/allimg/20231228/1-23122QR910435.gif" border=0 alt="M型立式蜗杆减速机外形尺寸"> gelufu.com.cn
M减速器主要尺寸 /mm QQ:47447450
|
型号 |
外形尺寸 |
输出轴端联接尺寸 | ||||||||||||||||||||
|
H0 |
H1 |
H2 |
H3 |
H4 |
H5 |
L1 |
L2 |
B |
C |
O |
M1 |
l1 |
l2 |
l3 |
l4 |
d1 |
b1 |
b2 |
t1 |
t2 |
t3 | |
|
M4 |
570 |
200 |
100 |
105 |
60 |
105 |
111 |
175 |
230 |
200 |
86 |
M27×1.5 |
40 |
4 |
48 |
25 |
35 |
5 |
10 |
8 |
11.9 |
23 |
|
M6 |
740 |
250 |
130 |
145 |
75 |
140 |
147 |
212 |
300 |
280 |
126 |
M39×1.5 |
50 |
4 |
58 |
30 |
50 |
6 |
16 |
10 |
18.3 |
35 |
|
M8 |
890 |
300 |
150 |
180 |
100 |
160 |
184 |
280 |
380 |
350 |
164 |
M42×1.5 |
70 |
4 |
78 |
30 |
55 |
6 |
16 |
10 |
21.5 |
38 |
|
M10 |
1070 |
380 |
170 |
210 |
120 |
190 |
235 |
370 |
415 |
400 |
205 |
M52×1.5 |
80 |
4 |
88 |
40 |
70 |
8 |
20 |
12 |
26.4 |
48 |
|
M12 |
1090 |
380 |
170 |
218 |
110 |
212 |
241 |
417 |
480 |
500 |
240 |
M60×2 |
80 |
4 |
88 |
40 |
80 |
8 |
22 |
14 |
29.9 |
56 |
|
M14 |
1218 |
336 |
214 |
278 |
160 |
230 |
300 |
480 |
640 |
700 |
301 |
M80×3 |
110 |
5 |
123 |
45 |
100 |
10 |
28 |
16 |
38.4 |
74 |
格鲁夫机械
|
型号 |
安装尺寸 | ||||||||||||||
|
机座输出端 |
机座输入端(III节点) |
联轴器(II节点) | |||||||||||||
|
D1(H8) |
D2 |
D3 |
h4 |
h5 |
d0 |
h3 |
D4 |
D5 |
D6 |
M3 |
h1 |
h2 |
d3 |
d4 | |
|
M4 |
215 |
260 |
290 |
15 |
6 |
12 |
8 |
125 |
145 |
170 |
M10 |
25 |
75 |
58 |
72 |
|
M6 |
290 |
350 |
380 |
20 |
7 |
14 |
10 |
180 |
210 |
240 |
M10 |
30 |
90 |
70 |
85 |
|
M8 |
360 |
440 |
480 |
24 |
7 |
18 |
12 |
200 |
250 |
300 |
M12 |
30 |
110 |
80 |
100 |
|
M10 |
440 |
535 |
580 |
25 |
7 |
22 |
14 |
230 |
300 |
360 |
M16 |
40 |
130 |
95 |
115 |
|
M12 |
440 |
535 |
580 |
28 |
7 |
22 |
14 |
230 |
300 |
360 |
M16 |
40 |
130 |
105 |
130 |
|
M14 |
540 |
605 |
650 |
30 |
9 |
24 |
16 |
300 |
370 |
425 |
M24 |
50 |
170 |
130 |
160 |