mail:china@gelufu.com

|
|
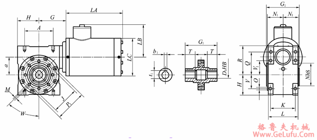
a |
b1 |
t1 |
A |
D1 H8 |
G |
G1 |
H |
J |
K |
L |
|
TSRV040 |
40 |
6 |
20.8(21.8*) |
70 |
φ18(φ19*) |
70 |
78 |
50 |
φ75 |
60 |
71 |
|
TSRV050 |
50 |
8 |
28.3(27.3*) |
80 |
φ25(φ24*) |
80 |
92 |
60 |
φ85 |
70 |
85 |
|
TSRV063 |
63 |
8 |
28.3(31.3*) |
100 |
φ25(φ28*) |
95 |
112 |
72 |
φ95 |
85 |
103 |
|
TSRV075 |
75 |
8(10*) |
31.3(38.3*) |
120 |
φ28(φ35*) |
112.5 |
120 |
86 |
φ115 |
90 |
112 |
|
|
M |
N h8 |
N1 |
O |
P1 |
Q |
R |
T |
V |
V1 |
|
TSRV040 |
4-M6×8 |
φ60 |
36.5 |
14-M6×8 |
φ87 |
55 |
71.5 |
26 |
35 |
35 |
|
TSRV050 |
4-M8×10 |
φ70 |
43.5 |
14-M6×10 |
φ100 |
6.4 |
84 |
30 |
40 |
40 |
|
TSRV063 |
8-M8×14 |
φ80 |
53 |
14-M8×14 |
φ110 |
80 |
102 |
36 |
50 |
50 |
|
TSRV075 |
8-M8×14 |
φ95 |
57 |
14-M10×16 |
φ140 |
93 |
119 |
40 |
60 |
60 |
|
B14 |
H63 |
H71 |
H80 |
H90S |
H90L |
H100 |
H112 |
|
LA |
216 |
246 |
279 |
316 |
361 |
470 |
406 |
|
LB |
112 |
122 |
127 |
140 |
140 |
153 |
171 |
|
LC |
114 |
134 |
144 |
176 |
176 |
202 |
231 |