减速机(WWJ110型尺寸图)"> www.gelufu.com.cn
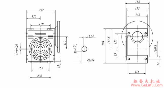
WWJ110型尺寸图是WWJ系列蜗杆减速器设计与选型过程中的核心技术文件之一。该图以精确的工程制图语言,全面展示了WWJ110型蜗轮蜗杆减速机的整体轮廓、关键接口位置及所有必要的安装定位尺寸。对于设备工程师、机械设计师及现场安装维护人员而言,准确解读这份尺寸图是确保减速机能够与驱动电机、工作机实现完美匹配与无缝集成的首要步骤。它不仅提供了长、宽、高等外部轮廓数据,更明确了输入轴与输出轴的轴径、键槽尺寸、安装孔位(包括孔数、孔径、分布圆直径P.C.D)以及中心高等关键参数,是进行空间布局规划、结构设计校核和安装基础准备的根本依据。
Mobile:13331225020

上图(通常为主视图或侧视图)清晰标明了WWJ110型蜗杆减速机的主体外形和轴向安装尺寸。图中,“A”尺寸代表输入轴端至箱体某基准面的距离,关系到与电机的联接空间;“B”尺寸可能表示输出轴伸长度或箱体宽度;而“H”尺寸通常是中心高,即输出轴中心线到底座安装平面的垂直距离,这是决定设备整体布局高度和联轴器对中的关键。此外,图中还会细致标注箱体地脚螺栓孔的纵向和横向间距(如L1 x W1),这些数据直接用于加工安装底板或基础框架。作为WWJ系列蜗杆减速器的典型型号,WWJ110采用了下置蜗杆的结构,这种结构紧凑,能实现较大的单级传动比,且自锁性能优良,广泛应用于包装机械、输送线、搅拌设备等需要大减速比和可靠停机的场合。 格鲁夫

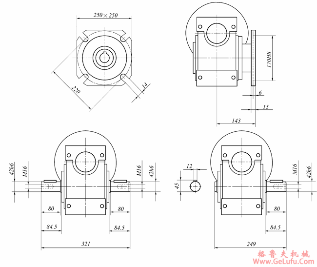
第二张尺寸图(通常为端视图或剖面详图)则进一步揭示了WWJ110型蜗轮蜗杆减速机的接口细节。此图重点展示了输入轴与输出轴的端部结构。输入轴端会明确标注轴径(d1)、键槽宽度(b1)与深度(t1),以及可能存在的螺纹孔(用于安装制动盘或联轴器挡圈)。输出轴端同样会详细标注轴径(d2)、键槽尺寸(b2 x t2)以及轴肩定位尺寸。这些尺寸必须与相联接的电机轴、链轮、皮带轮或联轴器的内孔尺寸精确匹配,任何偏差都可能导致联接松动、振动加剧或键槽损坏。在解读时,还需注意图纸上的形位公差要求,如同轴度、垂直度等,这些对于保证传动平稳性和延长轴承寿命至关重要。在实际选型应用中,工程师需将本图提供的尺寸与负载特性、安装空间限制相结合,并参考WWJ系列蜗杆减速器的完整技术参数表(如额定扭矩、传动比、许用轴向径向载荷等),才能做出最合适的选择,确保整个传动系统高效、稳定、长寿命运行。
格鲁夫减速机