您好,欢迎进入格鲁夫机械设备制造有限公司官网!
减速机|丝杆升降机|减速电机|行业专用减速机|减速机配件|减速机厂|丝杆升降机厂|转向器厂

联系我们

邮箱:china@gelufu.com
电话:0312-6784766
在线咨询

蜗轮减速机

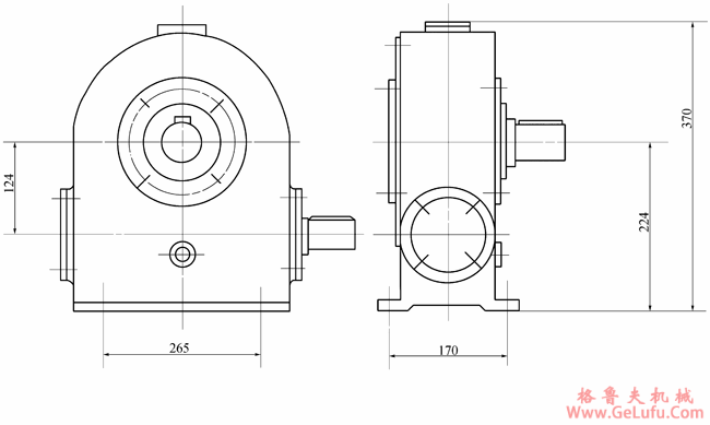
QT16A-9型塔机用蜗轮减速机外形及安装尺寸

发布日期:2023-12-28 18:28 浏览次数:

QT16A-9型塔机用蜗轮减速机外形及安装尺寸(图1)蜗轮减速机外形及安装尺寸"> 格鲁夫配件

QT16A-9型蜗轮减速机外形总览

减速器的外形及安装尺寸 www.gelufu.com.cn

QT16A-9型蜗轮减速机是专为QT系列塔式起重机设计的关键传动部件,其紧凑、坚固的外形结构是确保塔机平稳、高效运行的基础。该型号减速机采用了经典的蜗轮蜗杆传动形式,具有结构紧凑、传动比大、运行平稳和自锁性能好等显著特点,非常适用于塔机起升机构这种需要大扭矩、间歇性工作且对安全性要求极高的工况。 格鲁夫配件

从外形上看,QT16A-9型减速机通常由一个坚固的箱体、输入轴端、输出轴端以及多个安装法兰和底座构成。箱体多采用高强度铸铁铸造而成,表面经过精密加工,不仅保证了内部齿轮系统的精准啮合与充分润滑,也提供了优异的散热性能和抗振性。其整体设计充分考虑了在塔机狭小空间内的安装便利性,外形轮廓力求规整,以减少不必要的干涉。 手机:13331225020

QT16A-9型塔机用蜗轮减速机外形及安装尺寸(图2)

gelufu.com

核心安装尺寸详解

安装尺寸是QT型蜗轮减速机与塔机进行机械集成的关键接口数据,直接关系到传动系统的对中性、稳定性和使用寿命。对于QT16A-9型号,需要重点关注以下几组核心尺寸: QQ:47447450

1. 接口法兰尺寸: 输入轴和输出轴端的法兰尺寸(如螺栓孔中心距、孔径、法兰外径等)必须与驱动电机和卷筒(或下一级传动机构)的法兰匹配。这些尺寸的精度保证了动力传递的同轴度,避免因错位而产生的附加弯矩和振动。 gelufu.com

2. 安装底座尺寸与孔位: 减速机箱体底部的安装孔位置和尺寸至关重要。它们决定了减速机在塔机结构架上的固定位置。安装时需确保底座平面与安装基面贴合良好,并按规定的扭矩值拧紧螺栓,以防止设备在运行中发生移位或松动。 格鲁夫

3. 中心高与轴伸尺寸: 输入、输出轴的中心高以及轴伸(轴头)的直径、长度和键槽尺寸是联轴器或齿轮选配的依据。准确的轴伸尺寸能确保连接件传递额定扭矩而不发生打滑或过度磨损。

4. 整体轮廓尺寸: 减速机的总长、总宽、总高是塔机设计时进行空间布局和干涉检查的必要数据。合理的空间预留不仅便于安装和维护,也有利于周围的通风散热。

选型与安装注意事项

在选择和安装QT16A-9型蜗轮减速机时,除了严格核对图纸上的每一个外形和安装尺寸外,还需注意以下几点:首先,应确认减速机的额定输出扭矩、传动比与塔机起升机构的设计要求一致。其次,在安装过程中,必须保证各结合面的清洁,并可使用合适的密封胶防止润滑油泄漏。最后,对于蜗轮蜗杆减速机而言,初始润滑和后续的定期润滑保养尤为重要,需使用指定牌号的润滑油并加注至规定油位,以确保蜗轮副形成有效的润滑油膜,减少磨损,维持其传动效率和使用寿命。

总之,QT16A-9型塔机用蜗轮减速机的外形及安装尺寸是其物理集成的基础,而深刻理解这些尺寸背后的工程意义,并严格按照规范进行安装与维护,则是保障整个塔式起重机安全、可靠、长效运行不可或缺的环节。正确的安装是实现这款优质蜗轮蜗杆减速机卓越性能的步。

Copyright © 2023-2025 格鲁夫 版权所有 备案号:冀ICP备19023093号-2

电子营业执照图标 电子营业执照
选择语言
Hello,欢迎来咨询~