电话:0312-6784766

|
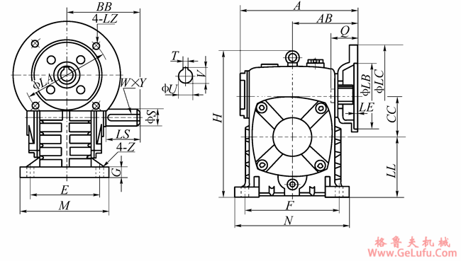
规格 |
输入功率/kW |
减速比 |
A |
AB |
BB |
CC |
H |
HL |
LL |
M |
N |
E |
F |
G |
Z |
|
50 |
0.18 |
1/10
1/15
1/20
1/25
1/30
1/40
1/50
1/60 |
151 |
83 |
97 |
50 |
176 |
50 |
80 |
120 |
140 |
95 |
110 |
15 |
12 |
|
60 |
0.37 |
167 |
91 |
112 |
60 |
204 |
60 |
90 |
130 |
150 |
105 |
120 |
20 |
12 | |
|
70 |
0.37 |
200 |
109 |
131 |
70 |
236 |
70 |
105 |
150 |
190 |
115 |
150 |
20 |
15 | |
|
0.75 |
202 |
111 | |||||||||||||
|
80 |
0.75 |
225 |
125 |
142 |
80 |
268 |
80 |
120 |
170 |
220 |
135 |
180 |
20 |
15 | |
|
1.5 | |||||||||||||||
|
100 |
1.5 |
280 |
148 |
169 |
100 |
336 |
100 |
150 |
190 |
270 |
155 |
220 |
25 |
15 | |
|
120 |
2.2 |
333 |
181 |
190 |
120 |
430 |
120 |
180 |
230 |
320 |
180 |
260 |
30 |
18 | |
|
3.0 | |||||||||||||||
|
135 |
3.0 |
375 |
202 |
210 |
135 |
480 |
135 |
215 |
250 |
350 |
200 |
290 |
30 |
18 | |
|
4.0 | |||||||||||||||
|
155 |
5.5 |
448 |
247 |
252 |
155 |
531 |
135 |
235 |
275 |
390 |
220 |
320 |
35 |
21 | |
|
175 |
5.5 |
481 |
262 |
262 |
175 |
600 |
160 |
260 |
310 |
430 |
250 |
350 |
40 |
21 | |
|
7.5 | |||||||||||||||
|
200 |
11.0 |
543 |
285 |
305 |
200 |
666 |
175 |
290 |
360 |
480 |
290 |
390 |
40 |
24 | |
|
250 |
11.0 |
615 |
330 |
360 |
250 |
800 |
200 |
350 |
460 |
560 |
380 |
480 |
45 |
28 | |
|
15.0 |
|
规格 |
输入功率/kW |
减速比 |
电机法兰 |
输入孔 |
输出轴 |
质量m/kg | ||||||||
|
LA |
LB |
LC |
LE |
LZ |
Q |
U |
T×V |
LS |
S |
W×Y | ||||
|
50 |
0.18 |
1/10
1/15
1/20
1/25
1/30
1/40
1/50
1/60 |
115 |
95 |
140 |
4 |
M8 |
31 |
11 |
4×12.8 |
40 |
17 |
5×3 |
8 |
|
60 |
0.37 |
130 |
110 |
160 |
4 |
M8 |
33 |
14 |
5×16.3 |
50 |
22 |
6×3.5 |
11 | |
|
70 |
0.37 |
130 |
110 |
160 |
4 |
M8 |
40 |
14 |
5×16.3 |
60 |
28 |
8×4 |
17 | |
|
0.75 |
165 |
130 |
200 |
M10 |
42 |
19 |
6×21.8 | |||||||
|
80 |
0.75 |
165 |
130 |
200 |
4.5 |
M10 |
48 |
19 |
6×21.8 |
65 |
32 |
10×5 |
22 | |
|
1.5 |
52 |
24 |
8×27.3 | |||||||||||
|
100 |
1.5 |
165 |
130 |
200 |
4.5 |
M10 |
52 |
24 |
8×27.3 |
75 |
38 |
10×5 |
38 | |
|
120 |
2.2 |
215 |
180 |
250 |
5 |
M12 |
63 |
28 |
8×31.3 |
85 |
45 |
14×5.5 |
64 | |
|
3.0 | ||||||||||||||
|
135 |
3.0 |
215 |
180 |
250 |
5 |
M12 |
63 |
28 |
8×31.3 |
95 |
55 |
16×6 |
85 | |
|
4.0 | ||||||||||||||
|
155 |
5.5 |
265 |
230 |
300 |
5 |
M12 |
83 |
38 |
10×41.3 |
110 |
60 |
18×7 |
118 | |
|
175 |
5.5 |
265 |
230 |
300 |
5 |
M12 |
83 |
38 |
10×41.3 |
110 |
65 |
18×7 |
165 | |
|
7.5 | ||||||||||||||
|
200 |
11.0 |
300 |
250 |
350 |
6 |
M16 |
114 |
42 |
12×45.3 |
125 |
70 |
20×7.5 |
236 | |
|
250 |
11.0 |
300 |
250 |
350 |
6 |
M16 |
114 |
42 |
12×45.3 |
155 |
90 |
25×9 |
396 | |
|
15.0 | ||||||||||||||