Mobile:13331225020
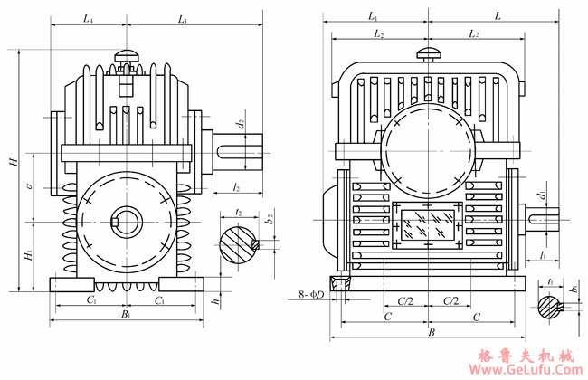
剖分式PWU400-PWU710、型平面二次包络环面蜗杆减速器主要尺寸 传真:0312-6784733
微信:grove_company

|
a |
H1 |
B |
B1 |
C |
C1 |
D |
H |
L |
L1 |
L2 |
L3 |
L4 |
d1 |
b1 |
t1 |
l1 |
d2 |
b2 |
t2 |
l2 |
h |
|
400 |
355 |
900 |
800 |
400 |
355 |
35 |
1250 |
600 |
600 |
450 |
630 |
375 |
110 |
28 |
116 |
165 |
180 |
45 |
190 |
240 |
55 |
|
450 |
400 |
1000 |
900 |
450 |
400 |
39 |
1400 |
670 |
670 |
500 |
710 |
425 |
125 |
32 |
132 |
165 |
200 |
45 |
210 |
280 |
60 |
|
500 |
450 |
1120 |
1000 |
500 |
450 |
42 |
1600 |
750 |
750 |
560 |
800 |
475 |
130 |
32 |
137 |
200 |
220 |
50 |
231 |
280 |
65 |
|
560 |
500 |
1250 |
1120 |
560 |
500 |
45 |
1800 |
850 |
850 |
630 |
900 |
530 |
150 |
36 |
158 |
200 |
250 |
56 |
262 |
330 |
72 |
|
630 |
560 |
1400 |
1250 |
630 |
560 |
48 |
2000 |
950 |
950 |
710 |
1000 |
600 |
170 |
40 |
179 |
240 |
280 |
63 |
292 |
380 |
80 |
|
710 |
630 |
1600 |
1400 |
710 |
630 |
52 |
2240 |
1060 |
1060 |
800 |
1250 |
670 |
190 |
45 |
200 |
280 |
320 |
70 |
334 |
380 |
88 |