减速机承载能力传动效率(JB/T 7935-1999)"> 格鲁夫齿轮箱
|
公称传动比
iN |
输入转速
ni/r・min-1 |
中心距a/mm | |||
|
63~100 |
125~200 |
225~280 |
315~400 | ||
|
| |||||
|
5~8 |
1500 |
91 |
93.5 |
95 |
96 |
|
1000 |
90 |
93 |
94.5 |
95.5 | |
|
750 |
89 |
92.5 |
94 |
95 | |
|
500 |
88 |
92 |
93.5 |
94.5 | |
|
10~12.5 |
1500 |
86 |
91.5 |
94 |
95 |
|
1000 |
85 |
91 |
93.5 |
94.5 | |
|
750 |
83 |
90 |
93 |
94 | |
|
500 |
82 |
89 |
92 |
93.5 | |
|
16~25 |
1500 |
83.5 |
88 |
90 |
91 |
|
1000 |
82 |
86 |
88 |
89 | |
|
750 |
80 |
84 |
87.5 |
88.5 | |
|
500 |
78 |
82 |
85 |
87 | |
|
31.5 |
1500 |
75 |
83 |
84 |
86 |
|
1000 |
72 |
80 |
81 |
85 | |
|
750 |
70 |
77 |
79 |
84 | |
|
500 |
67.5 |
75 |
76 |
82 | |
|
40 |
1500 |
74 |
79.5 |
82.5 |
84.5 |
|
1000 |
72.5 |
76 |
81 |
82.5 | |
|
750 |
70 |
74 |
79 |
81 | |
|
500 |
68 |
71 |
74 |
78 | |
|
50~63 |
1500 |
70 |
78 |
81 |
83 |
|
1000 |
67 |
75 |
80 |
81 | |
|
750 |
65 |
72 |
77 |
79 | |
|
500 |
63 |
70 |
74 |
75 | |
|
中心距a/mm |
63 |
80 |
100 |
125 |
140 |
160 |
180 |
|
FR或FA/N |
3500 |
5000 |
6000 |
8500 |
10000 |
11000 |
13000 |
|
中心距a/mm |
200 |
225 |
250 |
280 |
315 |
355 |
400 |
|
FR或FA/N |
18000 |
20000 |
21000 |
27000 |
31000 |
35000 |
38000 |
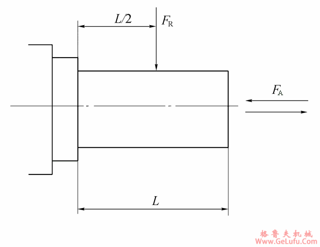
当外力作用点偏离中点△L时,其许用径向载荷应由式(3.1)确定: