mail:china@gelufu.com
迟滞曲线:迟滞检测是为了得出齿轮箱的扭转刚度。通过检测得到迟滞曲线。检测时,先将齿轮箱输入端固定住,然后在输出端的两个旋转方向分别持续地加载到T2B最大加速力矩,继而逐步卸载,用仪器记录下力矩的仿差角,得到的曲线是一条闭合曲线,从中可以计算出齿轮箱的回程间隙(jt)和扭转刚度(Ct21) 。 邮箱:china@gelufu.com

齿啮合频率fz:齿啮合频率有时会带来技术装置的震动问题,如齿轮箱频率与技术装置的频率相同时。输出端的震动频率可按公式fz=1.8•n2[min1]计算得出。如真有震动问题,要么改变技术装置的自身频率,要么选其它速比(=其它齿啮合频率)的齿轮箱。
WX:grove_company
定位精确度:在高速机械往复运动中做到精确定位的关键在于尽量减小通过运动产生的角偏差,定位精确度取决于两个值,一个是与加载有关的偏转角,涉及到回程间隙与扭转刚度,另一个是与运动控制有关偏转角,涉及到同步偏差问题。 QQ:20275456
转动惯量J[Kgcm2]:表示一个物体尽力保持自己转动状态(或静止或转动)特性的一个值。样本中的值均指输入端。 电话:0312-6784766
惯量比λ:是指负载惯量与传动系统惯量(电机加上齿轮箱)之间的比值。这个比值决定了系统的可控性。λ值越大,也就是各转动惯量差值越大,高动态的动作过程就越难精确控制,建议尽可能将入值控制在<5。齿轮箱可以将负载惯量降低1/i2。 QQ:47447450
传真:0312-6784733
扭转刚度Ct21[Nm/Arcmin]:由加载力矩和所产生的扭转角之间的比率来定义。Ct21=△T/△ψ。它说明需要用多大的力矩才能把输出轴转动一弧分。扭转刚度是从迟滞曲线得出的。在曲线图上只需要关注T2B的50%和100%这个范围,在这个范围内,曲线可看成是一条直线。 传真:0312-6784733
弧分 [arcmin]:一度分为60弧分(=60 arcmin=60′).如回程间隙标为1 arcmin时,意思是说齿轮箱转一圈,输出端的角偏差为1/60°。在实际应用中,这个角偏差与轴直径有关b=2•π•r•a°/360°。就是说,输出端直径为500mm时,齿轮箱精度为jt=3′时,齿轮箱转一圈的偏差为b=0.4mm。
回程间隙jt[Arcmin]:指齿轮箱输出轴与输入端的最大偏差角.测量时先将齿轮输入端固定住,然后在输出端用力矩仪加载一定力矩(2%T2B),以克服齿轮箱内的磨擦力。

同步偏差:指在输出轴转一圈时所测得的输入转速与输出转速两值的偏差。这种偏差是由齿轮加工容差引起的,从而导致及微小的角差以及速比差。
速比i:表示齿轮箱改变某一运动的三个主要参数值的值,即通过减速箱的速比来改变转速、扭矩和惯性力矩。
噪音[dB]:成套设备选用低噪音齿轮箱,有助于环境保护和健康保护。速比与转速直接影响到噪音水平,一般是转速越高,噪音越大;速比越大噪音越小。样本中的值是在输入转速为3000rpm/min时,不带负载,距离减速机一米距离时测量的。
平均寿命[h]:指减速机在额定负载下,最高输入转速时的连续工作时间。
额定输入转速n1[rpm]:齿轮箱的驱动速度,如齿轮箱与电机直接相连,则转速值与电机转速相同。本书中的额定输入转速是在环境温度为20°C的条件下,环境温度较高时请降低转速n1。
输出转速n2[rpm]:输出转速按照下列公式通过输入转速n1和传动比i计算出来。

传动效率η:由于摩擦引起的损失总是使有效率小于1,也就是少于100%。样本上的效率是齿轮箱在满负荷运动情况下,减速箱的传输效率。
额定输出扭矩TN[Nm]:指齿轮箱长时间(连续工作制)可以加载的力矩(无磨损),条件应满足负载均匀,安全系数S=1,理论寿命为20000小时;T2N值遵守ISO DP 6336齿轮标准与ISO 281轴承标准。
加速扭矩T2B[Nm]:指工作周期每小时少于1000次时允许短时间加载到输出端的最大力矩。工作周期每小时大于1000次时,须考虑冲击因素(见冲击因素)。T2B是周期工作制选型时的一个最大值,实际使用中的加速力矩(T2B)必须小于T2B。否则会缩短齿轮箱的寿命。
紧急制动扭矩T2NOT[Nm]:指齿轮箱输出端所能加载最大力矩。这个力矩可在齿轮箱寿命期内加载1000次。不能超过1000次。(T2NOT=1.5•T2B)
空载扭矩TO12[Nm]:指加载到齿轮箱上以克服齿轮箱内的摩擦力的力矩。
最大扭矩T2max[Nm]:指减速箱在静态条件或高起停运转条件下所能承受的输出转矩。通常指峰值负载或启动负载。
实际所需扭矩Tr2[Nm]:所需转矩取决于应用场合的实际工况。拟选齿轮箱的额定转矩TN必须大于这个转矩。
计算用扭矩Tc2[Nm]:会在选择齿轮箱时被用到,可以由实际所需转矩Tr2和系数fs,按以下公式得出:Tc2=Tr2 * fs≤Tn
侧倾力矩[Nm]:指轴向力和径向力作用于输出端轴承上径向受力点的力矩。其计算公式为:

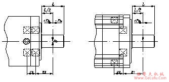
轴向力F2AMax[N]:是指平行于轴心的一个力。它平行于输出轴。它的作用点与输出轴端有一定的轴向偏差(y2)时,会形成一个额外的弯挠力矩。轴向力超过样本所示的额定值时,须用联轴节来 抵消这种弯挠力 。

径向力F2RMax[N]:指垂直作用于轴向力的一个力。它的作用点与轴端有一定的轴向距离(x2),这个点成一个杠杆点。横向力形成一个弯挠力矩。
安全系数S:安全系数等于齿轮箱的额定输入功率与电机功率的比值。
使用系数fs:使用系数表现减速机的应用特性,它考虑到减速机的负载类型和每日工作时间。(选型说明中有详细数据)
安装力矩[N]:齿轮箱的组装和电机与齿轮箱的连接安装,都是有力矩要求。建议用力矩扳手来完成安装步骤。适合输入轴采用弹性联轴器要求。
额定输入功率P1[Kw]:指减速箱安全的最大输入功率。输入转速为n1;安全系数S=1;理论寿命为10000小时
输出功率P2[Kw]:指传递到输出轴的有效功率,可按以下公式得出:
热功率[Kw]:热功率值与减速机的发热限制相关。
行星减速机 包括 精密行星减速机 和 P行星齿轮减速器