微信:grove_company
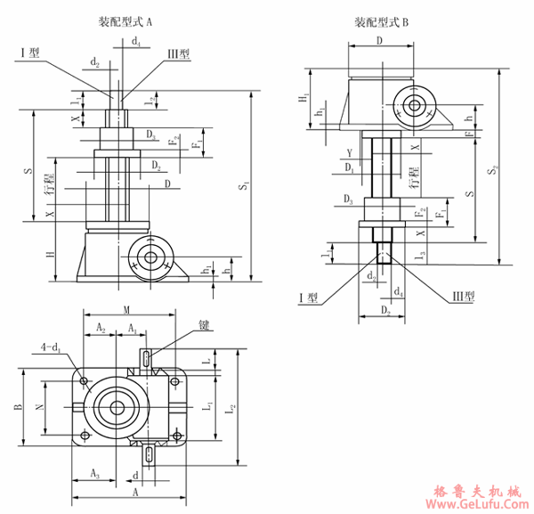
2型升降机的外形结构尺寸
WX:grove_company
WX:grove_company
|
型号 |
QWL2.5 |
QWL5 |
QWL10
QWL15 |
QWL 20 |
QWL 25 |
QWL 35 |
QWL50 |
QWL100 |
QWL120 | ||
|
S |
行程+85 |
行程+100 |
行程+125 |
行程+150 |
行程+170 |
行程+205 |
行程+250 |
行程+320 |
行程+330 | ||
|
S1 |
行程+215 |
行程+270 |
行程+335 |
行程+404 |
行程+476 |
行程+535 |
行程+603 |
行程+815 |
行程+845 | ||
|
S2 |
行程+238.5 |
行程+300 |
行程+359 |
行程+430 |
行程+513 |
行程+580 |
行程+685 |
行程+880 |
行程+910 | ||
|
A |
165 |
212 |
235 |
295 |
350 |
430 |
475 |
526 |
526 | ||
|
B |
120 |
155 |
200 |
215 |
260 |
280 |
500 |
622 |
622 | ||
|
M |
135 |
168 |
190 |
240 |
280 |
360 |
385 |
412 |
412 | ||
|
N |
90 |
114 |
155 |
160 |
190 |
210 |
406 |
508 |
508 | ||
|
H |
100 |
131 |
160 |
194 |
226 |
250 |
290 |
375 |
375 | ||
|
H1 |
97 |
131 |
150 |
181 |
211 |
250 |
280 |
360 |
360 | ||
|
h |
45 |
61.5 |
70 |
87 |
102 |
115 |
121 |
155 |
155 | ||
|
h1 |
12 |
14 |
16 |
20 |
25 |
30 |
32 |
38 |
42 | ||
|
d(k6) |
16 |
20 |
25 |
28 |
32 |
38 |
38 |
45 |
48 | ||
|
d1 |
14 |
17 |
21 |
28 |
35 |
35 |
45 |
48 |
48 | ||
|
键GB1096 |
5×5×32 |
6×6×32 |
8×7×45 |
8×7×45 |
10×8×50 |
10×8×70 |
10×8×90 |
14×9×100 |
14×9×100 | ||
|
L |
― |
― |
42 |
42 |
58 |
80 |
105 |
100 |
100 | ||
|
L1 |
110.5 |
132 |
172 |
213.5 |
221 |
265 |
310 |
380 |
380 | ||
|
L2 |
190 |
228 |
280 |
322 |
355 |
430 |
558 |
610 |
610 | ||
|
D |
98 |
122 |
150 |
185 |
205 |
260 |
300 |
420 |
420 | ||
|
D1 |
68 |
83 |
110 |
140 |
160 |
180 |
200 |
260 |
260 | ||
|
A1 |
45.2 |
56.2 |
66.8 |
72.5 |
97 |
120 |
135 |
190 |
190 | ||
|
A2 |
50 |
58 |
63.5 |
95 |
95 |
135 |
80 |
146 |
146 | ||
|
A3 |
65 |
80 |
86 |
122.5 |
130 |
170 |
125 |
203 |
203 | ||
|
F |
26.5 |
30 |
34 |
39 |
52 |
45 |
65 |
80 |
80 | ||
|
安全裕度X |
20 |
20 |
25 |
25 |
25 |
30 |
40 |
50 |
50 | ||
|
Y |
3 |
3 |
1 |
3 |
3 |
4 |
5 |
6 |
6 | ||
|
活动螺母 |
D2 |
80 |
87 |
110 |
120 |
155 |
190 |
220 |
300 |
330 | |
|
D3(K6) |
50 |
70 |
90 |
90 |
130 |
150 |
180 |
240 |
260 | ||
|
F1 |
45 |
60 |
75 |
100 |
120 |
145 |
170 |
220 |
270 | ||
|
F2 |
15 |
18 |
25 |
30 |
35 |
35 |
50 |
70 |
80 | ||
|
丝杠头部型式 |
Ⅰ |
d2(k6) |
20 |
25 |
40 |
50 |
70 |
80 |
95 |
130 |
150 |
|
I1 |
30 |
40 |
50 |
60 |
80 |
80 |
90 |
120 |
140 | ||
|
Ⅱ |
d4 |
M22×1.5-6g |
M30×2-6g |
M42×2-6g |
M48×2-6g |
M70×3-6g |
M80×3-6g |
M95×3-6g |
M130×4-6g |
M150×4-6g | |
|
I3 |
|
39 |
50 |
60 |
63 |
80 |
90 |
120 |
140 | ||