您好,欢迎进入格鲁夫机械设备制造有限公司官网!
减速机|丝杆升降机|减速电机|行业专用减速机|减速机配件|减速机厂|丝杆升降机厂|转向器厂

联系我们

邮箱:china@gelufu.com
电话:0312-6784766
在线咨询

丝杆升降机

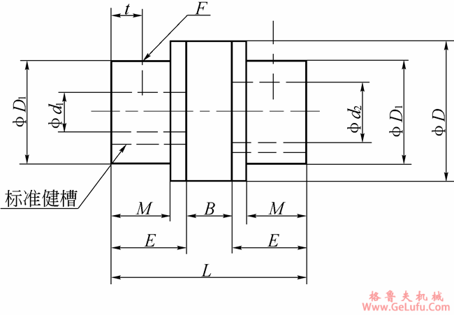
弹性联轴机(FC)

发布日期:2023-12-28 20:47 浏览次数:

弹性联轴机(FC) (图1)

电话:0312-6784766

弹性联轴器(FC) WX:grove_company

弹性联轴机(FC) (图2) Tel:0312-6784766

型号 D D1 d1 d2 L E B M t F
CS2.5-FC 30 - 9 11 35 11 13 - 5 M4
CS5-FC 40 32 10 19 66 25 16 20 10 M5
CS10-FC 40 32 14 24 66 25 16 20 10 M5
CS25-FC 65 48 16 28 90 35 20 28 15 M6
CS50-FC 65 48 20 28 90 35 2 28 15 M6

Copyright © 2023-2025 格鲁夫 版权所有 备案号:冀ICP备19023093号-2

电子营业执照图标 电子营业执照
选择语言
Hello,欢迎来咨询~