gelufu.com.cn

|
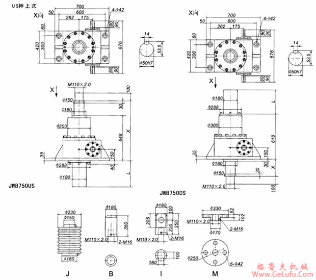
行程(mm) |
US |
DS |
m(kg) | ||||||||
|
X |
X⑴ |
L |
X |
X⑴ |
L | ||||||
|
MIN |
MAX |
MIN |
MAX |
MIN |
MAX |
MIN |
MAX | ||||
|
100 |
688 |
788 |
698 |
798 |
197 |
70 |
170 |
80 |
180 |
197 |
507 |
|
200 |
688 |
888 |
698 |
898 |
297 |
70 |
270 |
80 |
280 |
297 |
520 |
|
300 |
688 |
988 |
713 |
1013 |
412 |
70 |
370 |
95 |
395 |
412 |
536 |
|
400 |
688 |
1088 |
713 |
1113 |
512 |
70 |
470 |
95 |
495 |
512 |
550 |
|
500 |
688 |
1188 |
728 |
1228 |
627 |
70 |
570 |
110 |
610 |
627 |
566 |
|
600 |
688 |
1288 |
728 |
1328 |
727 |
70 |
670 |
110 |
710 |
727 |
580 |
|
800 |
688 |
1488 |
743 |
1543 |
942 |
70 |
870 |
125 |
925 |
942 |
610 |
|
1000 |
688 |
1688 |
753 |
1753 |
1152 |
70 |
1070 |
135 |
1135 |
1152 |
639 |