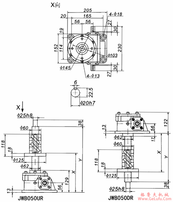
格鲁夫丝杆升降机


|
行程(mm) |
US |
DS |
m(kg) | ||||||||
|
X |
X⑴ |
L |
X |
X⑴ |
L | ||||||
|
MIN |
MAX |
MIN |
MAX |
MIN |
MAX |
MIN |
MAX | ||||
|
100 |
269 |
369 |
284 |
384 |
147 |
42 |
142 |
57 |
157 |
147 |
23 |
|
200 |
269 |
469 |
284 |
484 |
247 |
42 |
242 |
57 |
257 |
247 |
23 |
|
300 |
269 |
569 |
304 |
604 |
367 |
42 |
342 |
77 |
377 |
367 |
24 |
|
400 |
269 |
669 |
304 |
704 |
467 |
42 |
442 |
77 |
477 |
467 |
25 |
|
500 |
269 |
769 |
324 |
824 |
587 |
42 |
542 |
97 |
597 |
587 |
26 |
|
600 |
269 |
869 |
324 |
924 |
687 |
42 |
642 |
97 |
697 |
687 |
27 |
|
800 |
269 |
1069 |
344 |
1144 |
907 |
42 |
842 |
117 |
917 |
907 |
29 |
|
1000 |
269 |
1269 |
364 |
1364 |
1127 |
42 |
1042 |
137 |
1137 |
1127 |
30 |
|
1200 |
269 |
1469 |
379 |
1579 |
1342 |
42 |
1242 |
152 |
1352 |
1342 |
32 |
|
行程(mm) |
UR | |||
|
X |
Y |
m(kg) | ||
|
MIN |
MAX | |||
|
100 |
157 |
257 |
369 |
21 |
|
200 |
157 |
357 |
469 |
22 |
|
300 |
157 |
457 |
569 |
22 |
|
400 |
157 |
557 |
669 |
23 |
|
500 |
157 |
657 |
769 |
24 |
|
600 |
157 |
757 |
869 |
24 |
|
800 |
157 |
957 |
1069 |
26 |
|
1000 |
157 |
1157 |
1269 |
27 |
|
1200 |
157 |
1357 |
1469 |
29 |
|
行程(mm) |
DR | |||
|
X |
Y |
m(kg) | ||
|
MIN |
MAX | |||
|
100 |
145 |
245 |
257 |
21 |
|
200 |
145 |
345 |
357 |
22 |
|
300 |
145 |
445 |
457 |
22 |
|
400 |
145 |
545 |
557 |
23 |
|
500 |
145 |
645 |
657 |
24 |
|
600 |
145 |
745 |
757 |
24 |
|
800 |
145 |
945 |
957 |
26 |
|
1000 |
145 |
1145 |
1157 |
27 |
|
1200 |
145 |
1345 |
1357 |
29 |