Mobile:13331225020


|
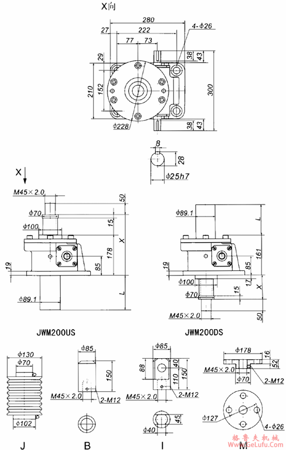
行程(mm) |
US | |||||
|
X |
X⑴ |
L |
m(kg) | |||
|
MIN |
MAX |
MIN |
MAX | |||
|
100 |
203 |
303 |
213 |
313 |
136 |
42 |
|
200 |
203 |
403 |
213 |
413 |
236 |
45 |
|
300 |
203 |
503 |
228 |
528 |
351 |
49 |
|
400 |
203 |
603 |
228 |
628 |
451 |
53 |
|
500 |
203 |
703 |
253 |
753 |
576 |
57 |
|
600 |
203 |
803 |
253 |
853 |
676 |
60 |
|
800 |
203 |
1003 |
268 |
1068 |
891 |
67 |
|
1000 |
203 |
1203 |
278 |
1278 |
1101 |
74 |
|
行程(mm) |
DS | |||||
|
X |
X⑴ |
L |
m(kg) | |||
|
MIN |
MAX |
MIN |
MAX | |||
|
100 |
42 |
142 |
52 |
152 |
136 |
42 |
|
200 |
42 |
242 |
52 |
252 |
236 |
45 |
|
300 |
42 |
342 |
67 |
367 |
351 |
49 |
|
400 |
42 |
442 |
67 |
467 |
451 |
53 |
|
500 |
42 |
542 |
92 |
592 |
576 |
57 |
|
600 |
42 |
642 |
92 |
692 |
676 |
60 |
|
800 |
42 |
842 |
107 |
907 |
891 |
67 |
|
1000 |
42 |
1042 |
117 |
1117 |
1101 |
74 |
|
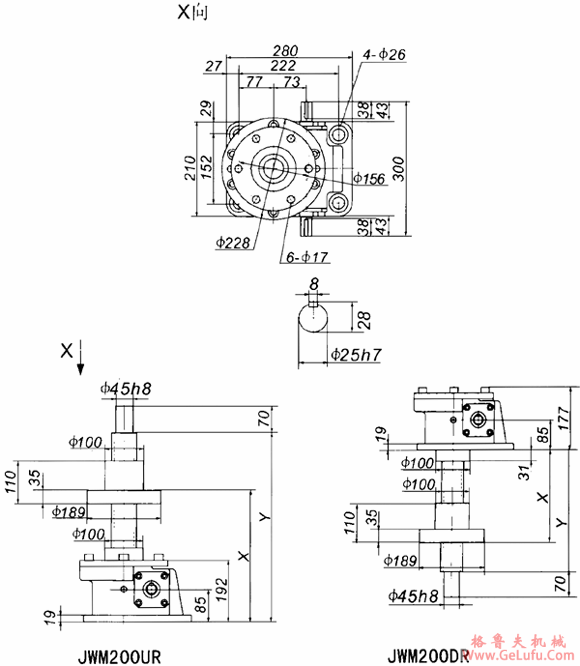
行程(mm) |
UR | |||
|
X |
Y |
m(kg) | ||
|
MIN |
MAX | |||
|
100 |
237 |
337 |
422 |
56 |
|
200 |
237 |
437 |
522 |
58 |
|
300 |
237 |
537 |
622 |
60 |
|
400 |
237 |
637 |
722 |
62 |
|
500 |
237 |
737 |
822 |
64 |
|
600 |
237 |
837 |
922 |
66 |
|
800 |
237 |
1037 |
1122 |
71 |
|
1000 |
237 |
1237 |
1322 |
75 |
|
1200 |
237 |
1437 |
1522 |
79 |
|
行程(mm) |
DR | |||
|
X |
Y |
m(kg) | ||
|
MIN |
MAX | |||
|
100 |
151 |
251 |
261 |
56 |
|
200 |
151 |
351 |
361 |
58 |
|
300 |
151 |
451 |
461 |
60 |
|
400 |
151 |
551 |
561 |
62 |
|
500 |
151 |
651 |
661 |
64 |
|
600 |
151 |
751 |
761 |
66 |
|
800 |
151 |
951 |
961 |
71 |
|
1000 |
151 |
1151 |
1161 |
75 |
|
1200 |
151 |
1351 |
1361 |
79 |