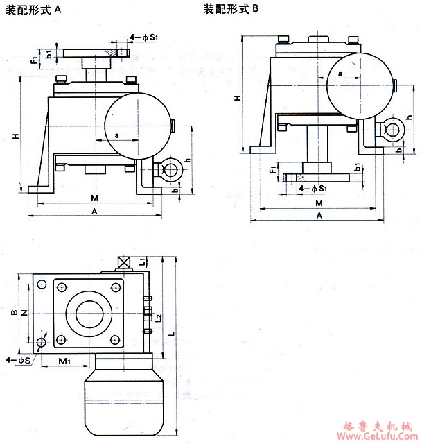
格鲁夫减速机

|
型号 |
YWJ63 |
YWJ80 |
YWJ100 |
YWJ125 |
YWJ160 |
YWJ200 |
|
H |
180 |
212 |
273 |
275 |
410 |
462 |
|
h |
105 |
125 |
160 |
160 |
235 |
258 |
|
b |
12 |
15 |
25 |
25 |
30 |
35 |
|
A |
198 |
251 |
350 |
357 |
458 |
526 |
|
B |
144 |
176 |
255 |
257 |
338 |
416 |
|
M |
168 |
219 |
302 |
307 |
401 |
470 |
|
N |
108 |
140 |
202 |
207 |
280 |
358 |
|
M1 |
84 |
109.5 |
151 |
153.5 |
200.5 |
235 |
|
L |
500 |
596 |
747 |
847 |
1075 |
1278 |
|
L1 |
20 |
25 |
25 |
35 |
35 |
45 |
|
L2 |
201 |
256 |
347 |
336 |
460 |
538 |
|
a |
63 |
80 |
100 |
125 |
160 |
200 |
|
S |
15 |
15 |
18 |
18 |
22 |
22 |
|
S1 |
15 |
15 |
15 |
18 |
22 |
22 |
|
b1 |
12 |
18 |
20 |
20 |
20 |
25 |
|
F1 |
30 |
40 |
50 |
50 |
60 |
63 |