格鲁夫配件
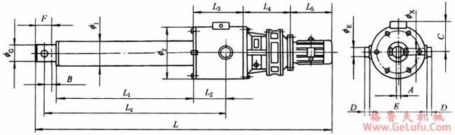
DTT型电动推拉杆外形尺寸
fax:0312-6784733
gelufu.com.cn
|
型号 |
行程S |
L |
Lc |
L1 |
L2 |
L3 |
L4 |
L5 |
φx |
φc |
φ1 |
φ2 |
φE |
A |
B |
C |
D |
E |
F |
|
DTT40-V-S |
400~1600 |
466+S+L4+L5 |
311+S |
126+S |
120 |
245 |
按
配
套
减
速
器
确
定 |
按
配
套
电
动
机
确
定 |
30 |
75 |
108 |
204 |
35 |
25 |
40 |
157 |
25 |
224 |
70 |
|
DTT63-V-S |
400~1600 |
466+S+L4+L5 |
311+S |
126+S |
120 |
245 |
30 |
75 |
108 |
204 |
35 |
25 |
40 |
157 |
25 |
224 |
70 | ||
|
DTT100-V-S |
500~2000 |
549+S+L4+L5 |
373+S |
160+S |
128 |
264 |
40 |
95 |
140 |
268 |
40 |
30 |
53 |
192 |
30 |
288 |
93 | ||
|
DTT160-V-S |
500~2000 |
651+S+L4+L5 |
438+S |
188+S |
154 |
322 |
45 |
109 |
159 |
310 |
45 |
36 |
60 |
215 |
32 |
330 |
105 | ||
|
DTT250-V-S |
600~2500 |
708+S+L4+L5 |
489+S |
225+S |
158 |
327 |
50 |
122 |
180 |
350 |
60 |
40 |
66 |
236 |
45 |
370 |
116 | ||
|
DTT400-V-S |
600~3000 |
882+S+L4+L5 |
592+S |
249+S |
216 |
446 |
60 |
140 |
219 |
410 |
70 |
46 |
80 |
267 |
52 |
440 |
140 | ||
|
DTT630-V-S |
600~4000 |
1127+S+L4+L5 |
773+S |
345+S |
257 |
531 |
80 |
195 |
273 |
530 |
90 |
66 |
106 |
328 |
68 |
560 |
186 | ||
|
DTT1000-V-S |
600~5000 |
1444+S+L4+L5 |
988+S |
443+S |
334 |
690 |
100 |
236 |
325 |
710 |
120 |
80 |
133 |
419 |
90 |
740 |
233 |