您好,欢迎进入格鲁夫机械设备制造有限公司官网!
减速机|丝杆升降机|减速电机|行业专用减速机|减速机配件|减速机厂|丝杆升降机厂|转向器厂

联系我们

邮箱:china@gelufu.com
电话:0312-6784766
地址:莲池区焦庄乡 在线咨询

丝杆升降机

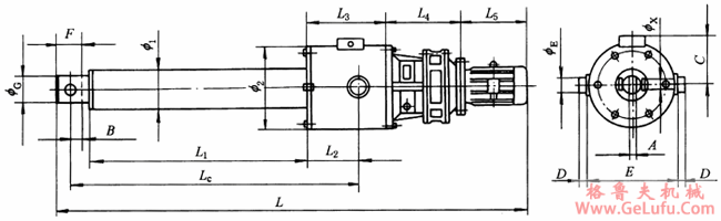
DYT电液推杆外形尺寸

发布日期:2023-12-28 20:43 浏览次数:

DYT电液推杆外形尺寸(图1) Tel:0312-6784766

DYT电液推杆外形尺寸

格鲁夫减速机

DYT电液推杆外形尺寸(图2)

QQ:47447450

外形及安装尺寸 /mm

型号
H
L
L1
L2
LA
LE
φ2
φ3
KK
C
J
C
J
C
J
C
J
C
J
C
J
C
J
C
J
C
DYT2500~7000
200
1090
645
790
210
400
260
170
170
240
240
160
160
30
30
M24×1.5
M24×1.5
DYT7000~14000
230
1090
685
790
260
400
330
230
230
300
300
220
220
30
30
M27×2
M27×2
DYT14000~21000
230
1300
685
900
260
450
330
230
230
300
300
220
220
35
35
M27×2
M27×2
DYT21000~40000
250
1400
750
1000
260
500
300
315
315
390
390
300
300
35
35
M33×2
M33×2
DYT40000~70000
270
1500
750
1050
270
550
340
315
315
390
390
300
300
40
40
M42×2
M42×2
DYT70000~150000
380
1700
820
1200
300
650
360
345
345
450
450
330
330
55
55
M60×2.5
M60×2.5
注:1.表中型号后的数字表示推力范围(单位为N)。
2.用户按型号表示方法,标明使用要求或在型号外另加说明。电动机由生产厂配套,电动机为Y系列或YB系列电压380V,功率范围0.55~11kW。

Copyright © 2023-2025 格鲁夫 版权所有 备案号:冀ICP备19023093号-2

电子营业执照图标 电子营业执照